Разделы
Публикации
Популярные
Новые
Главная » Электронные устройства автоматики

1 ... 6 7 8 9 10 11 12 ... 26

строении которых по оси абсцисс следует откладывать не напряжение f/бэ, а напряжение Uea + hRH-

Наличие двух источников питания в схеме рис. 4.27, а может вызвать определенные неудобства при пользовании схемой. Для замены двух источников питания одним последовательно с нагруз-кой включают разделительный конденсатор достаточно большой емкости (рис. 4.27,6). По постоянному току транзисторы схемы включены последовательно. Поэтому при идентичных параметрах транзисторов постоянное напряжение Uc на раздельном конденсаторе Ср составляет 0,5 £ и является источником питания для транзистора УТг.

Напряжение коллектор--эмиттер транзистора VTi равно £ - -f;c = 0,5£ .

Для исключения искажений выходного сигнала за счет конденсатора Ср необходимо, чтобы напряжение Uc оставалось постоянным в течение отрицательного полупериода (транзистор УТг открыт) входного синусоидального сигнала с частотой, соответствующей низшей частоте ин полосы пропускания. Тогда изменение напряжения на нагрузке AU будет определяться изменением напряжения на эмиттере открытого транзистора VT2.

Емкость конденсатора Ср выбирают, пользуясь соотношением

Ср>1/[ н(.вь,хп+н)],

где /?выхп - выходное сопротивление эмиттерного повторителя одного из плеч усилителя.

Методика расчета каскада не отличается от методики расчета рассмотренных каскадов усиления мощности, т. е. производится с использованием статических характеристик транзистора одного плеча. При этом следует учесть, что рабочая точка покоя соответствует уровню напряжения питания транзистора одного плеча 0,5£ .

Недостатком бестрансформаторных каскадов, приведенных на рис. 4.27, является большое различие параметров у 1ранзисторов разных типов электропроводностей. Для устранения этого недостатка промышленностью выпускаются пары транзисторов с одинаковыми параметрами, но разным типом электропроводности, так называемые комплементарные транзисторы, ассорти мент которых соответствует различным уровням выходной мощ ности усилителя, например ГТ402-ГТ404, ГТ703-ГТ705, КТ502-КТ503, КТ814-КТ1815, КТ818-КТ819.

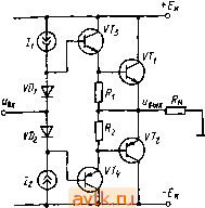
Чтобы увеличить нагрузочную мощность усилителей мощности, выполненных на основе эмиттерных повторителей, используют составные транзисторы. Принципиальная схема такого усилителя мощности приведена на рис. 4.28. В схеме (рис. 4.28) вместо резисторов R, определяющих ток диодов смещения VDi и VD2 применяют источники постоянного тока /, позволяющие расширить динамический диапазон входного сигнала.



Действительно, заменяя в формуле (4.84) /н на / и приравнивая /д=0, получим

Кроме ТОГО, источники постоянного тока, обладая высоким внутренним сопротивлением, не шунтируют высокое входное сопротивление эмиттерных повторителей на составных транзисторах


himhiisRn, что также является существенным преимуществом источника тока перед обычными резисторами R.

В качестве источника постоянного тока можно использовать транзистор, включенный по схеме с общей базой, входная цепь которого обеспечивает постоян-

Рис. 4.28

Рис. 4.29

ство тока эмиттера, т. е. /3 = const. Тогда при различных изменениях коллекторного напряжения Af/кб рабочая точка будет перемещаться только по одной ветви семейства выходных характеристик (рис. 4.29) и ток коллектора останется практически постоянным. Точнее, изменение коллекторного тока при изменении коллекторного напряжения t/кб транзистора и постоянном токе эмиттера определяется значением дифференциального сопротивления коллекторного перехода

Гк==Д^/б/Д/(/з=const),

которое в схеме ОБ велико и составляет несколько МОм (сравните с Гк* в схеме ОЭ).

В схеме рис. 4.30 источники постоянного тока выполнены на транзисторах VTo и VTe. Через каждый из транзисторов протекает ток

/3(5,6) ~ /к(5,6)=Л(3,4) ?(3,4) =

УР(3,4)~бэ(5,6) /?3 4

Где С/н(з,падение напряжения на резисторе R3 или Ru Уд{з,4) - Напряжение стабилизации стабилитрона VD3, (VD4), которое, очевидно, должно превышать напряжение на эмиттерном переходе транзистора VTs (VTe).



Кроме стабилитронов в цепях смещения транзистора VT5, VTg можно использовать светодиод с красным свечением, падение напряжения на котором в открытом состоянии составляет 1,8 В, или два последовательно включенных выпрямительных диода.

Ток эмиттера транзистора VTsVTe выбирается из условия

/э{5,6) >/бт(3,4) + (05- 1). мА,

где /бт(з, 4)=/н 121э(1,2)Л21э(з, 4) - амплитуда базового тока транзистора УТз(УТ4).


Рис. 4.30


Рис. 4.31

Ток в делителе /?(5,6)-VDo, 4) выбирается равным коллекторному току транзистора VT5, е- Тогда сопротивления /?5,б находятся из формулы

о /?(5.6)

(5,6) - -;- .

к(5,6)

где {/и(5,б)=£к-/ув(з, 4) -падение напряжения на резисторе

Составные транзисторы ухудшают термостабильность усилителя мощности, так как необходимо скомпенсировать изменения напряжения на переходах эмиттер - база четырех транзисторов.

Термостабильность схемы повысится, если выходные транзисторы в режиме покоя будут закрыты. Для этого эмиттерные переходы транзисторов VTi и VT2 шунтируются резисторами R\ и R%. Сопротивления R и Ri выбираются такими, чтобы падение напряжения на них от протекания токов смещения /эоз. /эо4 составляло 0,3... 0,5 В, чем и обеспечивается закрытое состояние выходных транзисторов.

В динамическом режиме работы схемы, т. е. при поступлении входного сигнала, ток через резисторы R\ и Ri не превышает значения /вс1.2)тах= [/бэ(1,2)mai ?(i, 2)- Максимальные напряжения на 86



эмиттерных переходах выходных транзисторов f/63(i,2)mai составляют примерно 0,8 В.

Если в схеме усилителя рис. 4.28 невозможно подобрать комплементарные транзисторы, соответствующие заданному уровню мощности, то комплементарные выходные транзисторы VT1VT2 заменяют транзисторами одного типа электропроводности. В схеме усилителя мощности (рис. 4.31) транзисторы VTi и VT3 имеют один тип электропроводности п-р-п и образуют классический составной транзистор с коэффициентом усиления тока базы /1213, равным произведению коэффициентов усиления отдельных транзисторов /t2i3i и him (см. рис. 4.18, а).

Транзисторы VT2 и VT4 имеют различный тип электропроводности, и их комбинация также представляет собой составной транзистор, изображенный на рис. 4.18,6.

Коэффициент усиления тока базы составного транзистора VT2 и VT4 нижнего плеча мало отличается от коэффициента усиления тока базы составного транзистора VTi и VT3 верхнего плеча.

Резисторы Ri и R2, как уже отмечалось, задают режим выходных транзисторов VTj и VT2. Падения напряжения на них в отсутствие входного сигнала при протекании тока покоя транзистора УТз(УТ4) определяют положение рабочей точки покоя соответствующего транзистора VTi(VT2) и обычно принимаются равными 0,4 В. При этом выходные транзисторы VTi и VT2 закрыты.

Каждое плечо схемы работает с глубокой отрицательной обратной связью, поэтому асимметрия схемы существенно не сказывается на форме выходного напряжения.

В схемах рис. 4.28, 4.31 заданную мощность обеспечивают транзисторы VTi, VT2. Транзисторы VTs, VT4 управляют базовыми токами VTi, VT2 и могут быть рассчитаны на мощность, много меньшую заданной, что существенно облегчает их подбор.

Схемы усилителей мощности на составных транзисторах позволяют выделить в нагрузке мощность до 30 Вт.

Расчет бестрансформаторного двухтактного усилителя мощности

Задание. Рассчитать, бестрансформаторный усилитель мощности (рис. 4.27,6), работающий в режиме класса АВ, нз условия получения мощности Ря=0,1 Вт в нагрузке /? =400 Ом. Допустимое значение коэффициента нелинейных искажений 5%. Диапазон рабочих частот от 100 Гц до 20 кГц. Диапазон температуры окружающей среды в пределах 25-50°С.

Пример расчета. 1. Определяем максимальную мощность рассеяния на коллекторе транзистора одного плеча усилителя

Яках = 2Р„/я2 и 0,2Рн = 20 мВт.

2. Находим максимальный коллекторный ток транзистора одного плеча

3. Опр =20 В.

/ктах=У2Р„ ? = 22 мА.

3. Определяем напряжение источника питания из формулы /к шах=0,5 Fk ?!! * =20 R.



1000

4. Находим граничную частоту усиления предполагаемого типа транзистора из условия/ > (2 ...4/в) (l+Ajis), принимая hib - iQ. Неравенство выполняется если f >480 кГц.

5. Учитывая полученные значения max, / max, а также условие £/ки=а к=0,5 £к</кдоп, По справочнику выбираем транзисторы, составляющие р-п-р л-р-л-пару и обеспечивающие относительную симметрию плеч каскада. Наиболее подходящими для данных условий типами транзисторов являются МП39 {р-п-р) и МП37 (п-р-п).

6. Построив на графике семейства выходных характеристик транзисторов МП37 или МП39 (рис. 4.32) динамическую нагрузочную прямую, отсекающую

на оси абсцисс 0,5 а на оси ор-динат /к max, определяем значения t/ocT и /кт, соответствующие границе нелинейной и линейной частей выходных характеристик: С/ост=0,6 В /кт=20 мА.

7 Находим реальную мощность в нагрузке, соответствующую площади треугольника ABC на рнс. 4.32;

Р„ = 0,5(0,5£к-г/ ет)/кт = ls-2a0mA 94 мВт.

8 Определяем мощность, отбираемую каскадом от источника пи-

Рис- 4.32 тания: Ро=2-0.5 EJcvEJJn

127 мВт

9. Находим коэффициент полезного действия каскада т1 = Р„/Ро=94/127=75%.

10. Используя входную характеристику транзистора МП37 (или МПЗЭ), определим ток /б m и напряжение Пбэ т, соответствующие максимальной амплитуде тока 1к /, т = 20 мА: /бт=1,2 мА, £/бэт = 0,8 в.

11. По входной характеристике транзистора МП37 (или МП39), проведя прямую линию через нуль в точку h max под углом а к оси абсцисс, определяем усредненное входное сопротивлеине /?вхср транзистора, обусловленное нелинейностью входной характеристики 1/tga: 7?вхср=250 Ом.

12. Находим глубину обратной связи при максимальной амплитуде входного сигнала f/вх m


= 1 +

1 этн

= 11.

13. Определяем входное сопротивление плеча каскада

/?вхос = /=/?вхср = 2.8 кОм.

14. Находим входную мощность каскада

15. Коэффициент усиления по мощности

= 5,8 мВт.

16. Определяем сопротнвленне резистора R, используя формулу (4.85);

/?вХос-/?вхос = 3,9 кОм.



17. Строим сквозную динамическую характеристику одного плеча ?K=/(a,i). Используя построенную сквозную динамическую характеристику из формулы 14 19) определяем коэффициент нелинейных искажений по третьей гармонике

х;з=/>к;=о.015=1,50/о.

18. Учитывая нелинейные искажения по второй гармонике за счет асимметрии схемы, найдем коэффициент, нелинейных искажений /Сг=1,5Кгз=2,25%.

Убеждаемся, что полученное значение Кг меньше заданного /Сгдоп=5%.

19. Определяем емкость конденсатора Ср из формулы

Ср >

>н(?вы:сп + /?н)

При /?г<2,4 кОм выходное сопротивление эмиттерного повторителя, определяемое из формулы

Яаыхп - э +

1 + А21Э

на порядок меньше заданного сопротивления нагрузки /?н=400 Ом. Поэтому, пренебрегая влиянием /?вых а на величину Ср, будем иметь

Ср = 4,2 мкФ.

Выбираем номинал по ГОСТу в сторону больших значений Ср=4,7 мкФ. Вопросы и задачи для самопроверки

К § 4.3.

1. Для неискаженной передачи сигнала в схеме рис. 4.1, а через базу транзистора в режиме покоя ((/вх = 0) должен проходить ток /бо=82 мкА. Определить сопротивление резистора цепи базы R, обеспечивающее заданный ток базы, сутствия входного сигнала, если £к=9 В. Падение напряжения на эмиттерном переходе транзистора (/бэо = 0,8 В. Ответ. 7 = 100 кОм.

2. Определить коллекторный ток транзистора каскада (рис 4 1, а) при отсутствия входного сигнала, если £ =9 В, /?= 10 кОм, (/бэо = 0,6 В. Коэффициент усиления по току /i2is=40. Обратным током транзистора можно пренебречь. Ответ, /ко=33,6 А.

3. Определить напряжение Utso и ток покоя в цепи базы усилителя (рис. 4 1, а), если напряжение источника питания £ =12 В, /?=40 кОм, /ко=5,6 мА, /г21э=40. Ответ. (;бэо=0,75 В, /бо=0,28 мА.

4. Определить сопротивление R, если ток покоя коллектора /ко (рис. 4.1, а) составляет 10 мА. Напряжение источника питания £к=12 В, статический коэффициент усиления по току транзистора /г21э = 40 (/бэо = 0,6 В. Ответ./?== 48 кОм.

5. Определить Як в схеме на рис. 4.1, а, если (/ко=20 В, /ко=100 мА, /?к= = 100 Ом Ответ. Як = 30 В

6. Определить сопротивление резистора, которое нужно включить в коллекторную цепь усилителя (рис. 4 1, а), чтобы ток коллектора составлял /ко=3 мА при (/ 3 0=7 В, Як=16 В. Ответ. /?к = 3 кОм.

7. Определить ток базы /бо и падение напряжения иа транзисторе (/kso (рис. а), если = 150 кОм,/?к = 1,25 кОм, Як = 9В, /г21э = 40. Величиной (/бэо пренебречь. Ответ. /бо=60 мкА, (/кэо=6 В.

9. Найти токи базы и коллектора, а также падение напряжения на транзис-]оре (рис. 4.1, а) если /?=250 кОм, /?к = 2 кОм, Я„=12 В, (/бэо = 0,3 В, а 121э===б4. Ответ. /бо = 47 мкА, /ко 3 мА, (/ ,о=6 В.

а- Определить сопротивление резистора в коллекторной цепи транзистора схемы ОЭ (рис. 4.1, а), если £ =12 В, и^ых=7,2 В, /?=48 кОм, /г2,э = 40. Паде-Ибм напряжения н обратным током транзистора можно пренебречь. Ответ. /?к= .48 кОм.



10. Определить выходное напряжение каскада (рис. 4.1, а), если базовый ток транзистора /б=0,5 мА, A2ij=20, /?к=0,5 кОм, £,=9 В. Обратным током транзистора пренебречь. Ответ. (/вык=4 В.

11. Определить максимальное и минимальное выходное напряжения каскада (рис. 4.1, а) прн подаче гармонического входного напр 1жеиня от генератора £г=2 В с внутренним сопротивлением i?r=14 кОм. Известно, что £,=9 В, 7,;=, = 7 кОм, R-84 кОм, Л21э = 50, /бэо=0,6 В. Обратным током транзистора можно пренебречь. Ответ. С/выхтт=0,2 мА, i/вых max £ii=9 В.

12. Почему прн увеличении в схеме рис. 4.1, о коэффициент усиления К сначала возрастает, а затем уменьшается?

13. Определить амплитуду входного сигнала, необходимую для получения на выходе каскада (рис. 4.1, а) сигнала с амплитудой Свых = 4 В. Коллекторный ток покоя /ко=1 мА, /-6=125 Ом, Л21, = 40, /?к=4,5 кОм. Ответ. £/в1=26 мВ.

14. Определить минимальное значение напряжения питания, обеспечивающее на выходе каскада (рис. 4.1, а) сигнал без отсечки с амплитудой 5 В. Огвег. £,min 12 В.

15. Как в схеме термостабильного каскада с общим эмиттером (рис. 4.5) осуществляется стабилизация коллекторного тока покоя?

16. Определить сопротивление резистора R если через транзистор (рис. 4.5) проходит ток /ко~/эо = 5 мА, а напряжение Убо=1.6 В. Падение напряжения на эмиттерном переходе транзистора Цбзо - О.б В. Ответ. /?э 250 Ом.

17. Определить напряжение питания каскада (рис. 4.5), при котором обеспечивается режим /эо~/ко=10 мА, /кэо=5 В. Номиналы резисторов: /?,= 100 Ом, /?,= 1 кОм. Ответ. £, 16 В.

18. Определить сопротивления резисторов в цепи смещения базы транзистора, если напряжение (/бо=2 В, а ток через резистор Ri определяется соотношением /л1 = 2/бо=1 мА. Напряжение питания £ =10 В. Ответ. Ri=8 кОм, /?2= =4 кОм.

19. В схеме ряс. 4.1, о коэффициент усиления определяется формулой (4.13). Можно лн пользоваться приведенной формулой для определения Ки в схеме каскада (рис. 4.5)?

20. В схеме рис. 4.5 произошел обрыв цепи шунтирующего конденсатора С,. Останутся ли при этом неизменными коэффициент усиления по напряжению и входное сопротивление?

21. Анализируя схему рис. 4.5, записать выражения для постоянных времени перезаряда конденсаторов Cpi, Срг и С,.

22. Как изменится полоса пропускания усилителя (рнс. 4.5) в области низких частот, если при заданном коэффициенте частотных, искажений увеличить емкости конденсаторов Срь Срг, Сэ?

23. Определить, пользуясь справочными данными (см. прнложеине табл. П.4), какой тип транзистора может обеспечить усиление сигнала на частоте 1 МГц прн заданном коэффициенте частотных искажений Л1в=К2? Принять (RAIRh) = 1 кОм.

К § 4.6.

1. Определить выходное напряжение в схеме эмиттерного повторителя (рис. 4.16, о) прн Uax=Q, если падение напряжения на открытом эмиттерном переходе н резисторе R равны (/бэо=0,6 В, Ur=5A В. Напряжение источника питания £,= 10 В. Огвег. £/вых=4 В.

2. Определить сопротивление резистора R в базовой цепи транзистора, при котором на выходе схемы эмиттерного повторителя при Ubx-О создается напряжение £/вых=1/э=5 В. Сопротивление резистора R,= l кОм. Напряжение источника питания £к=12 В, падение напряжения (/эо=0,6 В. Коэффициент усиления транзистора по току h2i-,=50. Ответ. R=76 кОм.

3. Определить падение напряжения t/,so иа транзисторе в схеме эмиттерного повторителя (рнс. 4.16, а) прн i/Bx = 0 прн токе эмиттера /,о = 2 мА. Напряжение £к=8 В, сопротивление R,= l,5 кОм. Ответ. /кэо=0,5 В.

4. Определить напряжение на выходе эмиттерного повторителя (рис. 4.16)



J/.x=0. если падение напряжения на резисторе 7 = 100 кОм равно 5 В; ? =60. Сопротивление Rs= \ кОм. Ответ. Ubux=Us~3 В.

5. Определить минимальное значение напряжения питания, при котором на (зде эмиттерного повторителя (рис. 4.16, а) можно получить переменный сигнал без отсечки с амплитудой 6 В. Ответ. £к^12 В.

6. Доказать, что фаза выходного сигнала в схеме эмиттерного повторителя (пис. 4.16, а) совпадает с фазой входного сигнала.

7. Амплитуда сигнала на выходе эмиттерного повторителя (рнс. 4.16, а) 4 В. Приращение напряжения на эмиттерном переходе транзистора 0,8 В. Определить амплитуду и коэффициент передачи Ки входного напряжения. Ответ. /вх=4,8 В,

8. Определить амплитуду входного напряжения и коэффициент усиления по мощности эмиттерного повторителя (рис. 4 16, а), если известны парвметры:/1213= =50, /б=50 мкА, Д6б, = 0,2 В, Rs = 4 кОм. Ответ. 0=10,2 В, /(р=50.

9. Определить амплитуду выходного напряжения и коэффициенты Ки, Кр эмиттерного повторителя (рнс. 4.16, а), если на вход подано напряжение с амплитудой 4 В. Коэффициент усиления по току Лги = 60, приращение напряжения Уб,=0,5 В. Огеет. 6вых=3,5 В, /( = 0,875, /(р=52,5.

J0. Коэффициент усиления каскада ОЭ (рис. 4.1, а), работающего от генератора входного сигнала с внутренним сопротивлением Rt = 2 кОм, определяется формулой (4.15). Полагая Rh-oo, /?к=1 кОм, ?вхэ=0,5 кОм, получим /Сиэ = 20. Как изменится полученный коэффициент усиления, если между источником входного сигнала и усилительным каскадом ОЭ включить эмиттерный повторитель с входным сопротивлением /?вхп=8 кОм, выходным сопротивлением /?выхп = 100 Ом и коэффициентом передачи Яи=0,8?

11. Коэффициент усиления каскада 03 (рис. 4.1, а), работающего на нагрузку /н=100 Ом, определяется формулой (4 15). Полагая, г->-0, Л21э = 50, /?к = 1 кОм, /?выхэ=0,5 кОм, получим /(иэ~10. Как изменится полученный коэффициент усн-лення, если между нагрузкой /? и усилительным каскадом включить эмиттерный повторитель (рнс. 4 16, а) с параметрами R - & кОм, ?выгп=10 Ом, Ka = 0,S (при Rh-°°)-?

12. Входное и выходное сопротивление эмиттерного повторителя (рис. 4.16, а) определяются формулами (4.58) и (4.61). Изменятся лн эти пара.метры эмиттерного повторителя прн увеличении температуры окружающей среды?

К §4.7

1. Для создания режима работы класса А в усилителе (рис. 4.20) используется цепь автоматического смещения R C . Определить потенциал затвора относительно истока, если в отсутствие входного сигнала через транзистор проходит ток стока /со=1,5 мА. Сопротивление резистора Ru=20Q Ом. Ответ. С/зяо= =0,3 В.

2. Определить напряжение Uc и ток стока /с транзистора в усилителе (рис. 4.20), если падения напряжения на резисторах Rc и /? составляют 2,4 и 0,2 В. Напряжение источника питания £с = 6 В. Ответ. С/си=4,4 В, /с=0,5 мА.

3. Определить сопротивление резистора /?с в схеме рис. 4.20, если ток стока транзистора 0,4 мА, £с=12 В, t/c = 8 В. Принять, что /? =0,1 Ro. Ответ. Rc = =9,1 кОм.

4. Можно ли использовать в схеме рнс. 4.20 транзистор с допустимой мощностью Рстах=120 мВт, ссли в рсжимс покоя ((/вх = 0) ток стока /со=0,4 мА создает на резисторах Rc и R падения напряжения 4 и 0,4 В? Напряжение источ-инка питания 9 В. Ответ. Можно.

5. Определить мощность Ро, потребляемую каскадом (рис. 4.20), если ток тока транзистора 0,3 мА создает на резисторах Rc и /?и падения напряжения

0 = 6 В и (/ви = 0,2 В. Uc = S В. Ответ. Ро = 42,6 мВт.

°- В режиме покоя ((/вх=0) напряжение Uc в схеме рис. 4.20 равно 5 В. °*но ли получить иа выходе неискаженный переменный сигнал с амплитудой Ь В? Огвет. Нельзя.



7. Какую роль выполняет резистор в цепн затвора транзистора в схеме рис. 4.20? Из каких соображений выбирается сопротивление резистора /?з?

8. На входе каскада с общим истоком (рис. 4.20) поступает гармонический сигнал с амплитудой 6вх=0,2 В. Определить выходное напряжение, если крутизна стоко-затворной характеристики транзистора 5 = 2 мА/В, а сопротивление резистора /?с = 4 кОм. Исказится ли форма выходного напряжения, если напряжение на стоке транзистора в режиме покоя равно 5 В? Ответ. (/вих=1,6 В.

К § 4.8

1. Определить в схеме истокового повторителя (рис. 4.23, а) потенциал затвора относительно истока, если при отсутствии входного сигнала через транзистор протекает ток стока /с =1,2 мА. Сопротивление резистора 7? =200 Ом Ответ. t/3h=0,24 В.

2. Определить максимальную амплитуду гармонического напряжения, посту, пающего на вход истокового повторителя t/вхтах, если напряжение отсечки тока транзистора t/oTC = 6 В. Зарисовать осцилограмму выходного напряжения при

/вх>/вхтах. ОтввТ. (/вхтах=ЗВ.

3. Определить минимальное значение напряжения питания истокового повторителя (рис. 4.23, а), если максимальная амплитуда выходного напряжения без отсечки равна 6 В. Ответ. Ее min = 12 В.

4. Определить ток стока транзистора в схеме истокового повторителя (рис. 4.23, а), если t/c = 8 В, Rb=12 кОм, £с = 12 В. Ответ. /с 0,33 мА.

5. Коэффициент передачи в схеме истокового повторителя (при Rh-oo) оп-)еделяется формулой (4.77). Приняв 5 = 2 мА/В, 7? = 3 кОм, получим Ku~0,S6-<ак изменится коэффициент передачи, если подключить сопротивление нагрузки Rh=0,5 кОм? Записать окончательную расчетную формулу.

6. Анализируя результат решения предыдущей задачи, объяснить, как влияет крутизна характеристики транзистора на изменение коэффициента передачи истокового повторителя при подключении нагрузки.

7. Определить потребляемую мощность, напряжение питания и КПД схемы истокового повторителя (рис. 4 23, а), если Ucko = 5 В, (/яи=/с/?и=4 В, /со = =0,5 мА. Ответ. £с = 9 В, Рпотр=4,5 мВт, ri = 122,2%.

К § 4.9.

1. Сравните режимы классов А, В и АВ по величине выходной мощности, КПД нелинейных искажений.

2. Почему для питания транзисторов схемы, которая приведена иа рис. 4.27, а, необходимо двухполярное напряжение питания? Какую роль выполняет конденсатор Ср в схеме на рис. 4.27, б?

3. Можно ли иа выходе усилителей мощности (рис. 4.27, а, б) получить сигнал, больший по абсолютному значению, чем входной? Изменится ли фаза входного сигнала при прохождении через усилитель?

4. Какое максимальное выходное напряжение при £к=10 В можно получить: 1) в схеме рис. 4.27, а, 2) в схеме рис. 4.27, б? Остаточным напряжением открытого трачзистора можно пренебречь.

5. Какие элементы в схемах рис. 4.27, а, б обеспечивают работу транзисторов в режиме класса АВ?

6. Объяснить, почему в режиме покоя ((/вх = 0) напряжение на нагрузке Rx в схеме усилителя мощности (рис. 4.27, а) равно нулю, хотя через каждый транзистор проходит начальный ток смещения.

7. Определить амплитуду напряжения на нагрузке R в схеме рис. 4.27, а, если на вход поступает гармоническое напряжение (/вх = 2 В. При этом приращение напряжения на диоде VD (VDs), t/j = 0,3 В и эмиттерном переходе транзистора VT, (VTj) t/6, = 0,6 В. Ответ. 1,8 В.

8. Можно ли использовать в схеме рис. 4.27, а транзистор с максимально допустимым током коллектора /кдоп=130 мА при подаче на вход гармонического напряжения Ubx=6 В? Сопротивление Rh=10 Ом. Падение напряжения VnUau-Ответ. Нельзя.



ГЛАВА 5

ПРАКТИЧЕСКИЕ СХЕМЫ МНОГОКАСКАДНЫХ УСИЛИТЕЛЕЙ

§ 5.1. Усилители с резистивно-емкостной связью

Принципиальная схема двухкаскадиого усилителя напряжения с ;?С-связью на биполярных транзисторах приведена на рис. 5.1.

В области средних частот полосы пропускания разделительные конденсаторы Срь Срг^ Ср., обеспечивают развязку каскадов по постоянному току и в то же время не оказывают заметного влияния на прохождение переменной составляющей входного сигнала. Поэтому расчет такого усилителя в об-ласги средних частот производится в соответствии с экви- р^. g j валентной схемой рис. 4.1, б

и формулами, приведенными в § 4.1. При этом необходимо учитывать, что каждый последующий каскад является нагрузкой предыдущего, т. е. коэффициенты усиления отдельных каскадов определяются формулами:


вых2 и вых2

Л21э2(/?к21/? )

вха вых1 А21э2

Общий коэффициент усиления

= вых2/£ г == к и lKu2-

(5.1) (5.2)

Коэффициент низкочастотных искажений всего усилителя определяется произведением коэффициентов низкочастотных искажений, обусловленных влиянием на Ки каждого разделительного конденсатора и конденсатора в эмиттерной цепи в отдельности, т. е.

н ус = сplM Ср2Л^н СрзЛнСэ! н Сэ2-

Фазовый сдвиг между входным и выходным напряжениями определяется суммой фазовых сдвигов, обусловленных влиянием на

разделительных конденсаторов и конденсаторов в эмиттерных цепях транзисторов, т. е. фнус=фт4-фн2 4-фнз4-фнэ1-1-фнэ2, где фнь Фн2, фнз--фазовые сдвиги, обусловленные соответствующими раз-Делительными конденсаторами Срь Срг, Срз; фнэь фнэг - фазовые сдвиги, обусловленные конденсаторами Сз1 и Сэ2-



1 ... 6 7 8 9 10 11 12 ... 26
© 2004-2026 AVTK.RU. Поддержка сайта: +7 495 7950139 в тональном режиме 271761
Копирование материалов разрешено при условии активной ссылки.
Яндекс.Метрика