Разделы
Публикации
Популярные
Новые
Главная » Электронные устройства автоматики

1 ... 5 6 7 8 9 10 11 ... 26

Благодаря отрицательной обратной связи каскад ОК обладает также меньшими нелинейными искажениями и большей стабиль-ностью характеристик, чем каскад ОЭ.

Повысить входное сопротивление и коэффициент усиления по току эмиттерного повторителя можно также используя составной транзистор, представляющий собой схемную комбинацию из двух отдельных транзисторов VT и VT , в которой эмиттерный ток одного транзистора является базовым током другого, а коллектор-

Рис. 4.18

ный ток - суммой коллекторных токов отдельных транзисторов (рис. 4,18, а). Коэффициент усиления по току составного транзистора

Л2:э сост= /к б = (/к + /к) б = /; ; + IJII

Учитывая, что

/к б = Л21э, /б = /9/(1+Л21э)=/б/(1 + Л21э), /i/6 = A2I.,

будем иметь

Л21эсост=Л21э+Л21 --Л21эЛ21э~Л21эЛ21э, (4.63)

Т. е. коэффициент усиления по току составного транзистора равен произведению коэффициентов усиления по току отдельных транзисторов.

Включив в схему повторителя (рис. 4.16, а) вместо транзистора VT составной транзистор, состоящий из транзисторов VT и VT , получим при R-oo

LRr + Лцк) RxK/imhluiRJiRj.

(Rb + /?н)

~Л21эЛ21э

(4.64)

Аналогичные результаты можно получить, используя в схеме составного транзистора транзисторы разного типа электропроводности: р-п-р и п-р-п (рис. 4.18,6).




Рис. 4.19

Расчет эмиттерного повторителя по постоянному току произ-плится так же, как и в схеме ОЭ, но с учетом отсутствия резисто-па Rk, а его стабильность определяется из формулы (4.18).

Следует заметить, что резистор R или делитель в схеме эмиттерного повторителя на составном транзисторе не позволяют реализовать большое входное сопротивление [см. формулы (4.58) и (4.64)]. Действительно, для того чтобы резистор R не оказывал заметного влияния на входное сопротивление Лцк, необходимо принять /?л^10 МОм, что невозможно, так как при этом практически крайне сложно получить необходимый ток базы.

Поэтому эмиттерный повторитель на составном транзисторе удобно использовать при непосредственной связи с источниками входного сигнала, имеющими постоянную составляющую напряжения, которая может обеспечить заданный режим эмиттерного повторителя. В остальных случаях для исключения влияния базового резистора или делителя на

входное сопротивление повторителя применяют так называемую следящую обратную связь (рис. 4.19).

В схеме рис. 4.19 резистор /?з обеспечивает заданный режим по постоянному току и не превышает сотен килоом. Однако благодаря действию следящей обратной связи с выхода в точку А схемы сопротивление резистора переменному току Rs возрастает в 1/(1-Ки) раз, так как

/?з^=Д з,/Д/гз, (4.65)

где AUbx - приращение входного сигнала, вызывающее при действии следящей обратной связи приращение тока через резистор

А гз=(А^вх-А^вь.х)/з. (4.66)

Подставляя (4.66) в (4.65), получим

/?з~=/?з/(1-АГ ). (4.67)

Из выражения (4.67) следует, что сопротивление /?з^ достигает десятков мегаом и таким образом практически не влияет на входное сопротивление эмиттерного повторителя.

§ 4.7. Каскад с общим истоком

Схемным аналогом каскада с общим эмиттером является кас-Д с общим истоком, принципиальная схема которого на тран-исторе с управляющим р-л-переходом приведена на рис. 4.20.



Так как стоко-затворная характеристика полевого транзистора с л-каналом лежит в отрицательной области, то для обеспечения режима класса А необходимо отрицательное постоянное напряжение смещения Usno, соответствующее заданной рабочей точке покоя О.

Применение отдельного внешнего источника напряжения (батареи) неудобно, и обычно используют так называемое автоматическое смещение. В схеме с автоматическим смещением (рис. 4.20) затвор соединен с нулевой (заземленной) шиной через резистор

Rs и по постоянному току имеет потен-

~Т циал U30, близкий к нулю.

Кг Для установления необходимого на-

пряжения смещения (7зио<0 в цепь исто- о ка полевого транзистора включен рези-Uffj,; стор R , на котором создается падение напряжения от протекания тока через транзистор {/дио=/со/?и. Таким образом,

(4.68)

si I

Рис. 4.20

Резистор /?и не только обеспечивает заданный режим транзистора по постоянному току, но и осуществляет термостабилизацию рабочей точки покоя, так как создает отрицательную обратную связь по току, уменьшающую крутизну характеристики полевого транзистора в (1Ч-5/?и) раз. В результате изменение тока стока, вызываемое приращением напряжения затвор - исток под действием температуры, уменьшается во столько же раз.

Чтобы исключить обратную связь по переменному току, резистор 7? шунтируют конденсатором достаточно большой емкости Си. При увеличении R возрастает стабильность каскада и одновременно напряжение автоматического смещения Uwu- Поэтому для получения необходимого напряжения Uano при повышении стабильности каскада приходится задавать начальное смещение {/эо>0 путем подключения резистора R (показан на рис. штриховой линией). Тогда будем иметь

знО=-/со/?н + с^з/(з + ).

Напряжение t/зио обычно выбирается из условий

3 ol~ioTcI/2, 1э„0>вх.

(4.69)

где LoTc - напряжение отсечки тока транзистора.

Если амплитуда входного сигнала невелика, то напряжение {/эио выбирается соответствующим точке нулевого дрейфа, в которой компенсируются температурные приращения тока стока, выз-



аниые изменением подвижности носителей заряда и контактной азности потенциалов между затвором и истоком. Р Напряжение t/зио, при котором температурное приращение тока стока транзистора минимально, определяется из формулы

е„01=отс|-0,66В.

Напряжение {/зио и крутизна 5 связаны с током стока транзистора /со следующими соотношениями:

1з„о| = 1охс1 (1 -ТЖ.) (4.70)

s=--v~i::j: (4.71)

где /снач - ТОК стока транзистора при {/зи=0.

Используя соотношения (4.70), (4.71) для конкретного типа транзистора и задав ho, из формулы (4.68) после преобразований получаем выражение, связывающее сопротивление с током стока

Пусть полевой транзистор имеет параметры /снач=40 мА, s-

= 10мА/В.

Задаем ток /со=10 мА, тогда 1 ]J sk\ 1 \

=0,2 кОм. ...

Эквивалентная схема каскада с J J

общим истоком для переменного сигнала в области средних частот Рис4Л1

полосы пропускания приведена на рис. 4.21.

Из эквивалентной схемы (рис. 4.21) определим коэффициент усиления каскада по напряжению

Kg=-S(R,lr,)-SR,. (4.73)

Знак минус показывает, что выходное напряжение находится в противофазе с входным.

При включении нагрузочного резистора

Ku-SiRiRj. (4.74)

В.ходное сопротивление полевого транзистора велико и состав- яет сотни мегаом. Поэтому входное сопротивление каскада определяется сопротивлением резистора Rs в цепи затвора, включенного для обеспечения гальванической связи затвора с общей шиной.

Сопротивление резистора Ra выбирается таким образом, что-с одной стороны, как можно меньше шунтировать большое годное сопротивление полевого транзистора, а с другой - не со-



здавать заметного падения напряжения от протекания через R тока утечки обратносмещенного управляющего р-л-перехода. Обычно выбирают 7?з=/?вхи= 1... 3 МОм.

Большое входное сопротивление является достоинством каскада на полевом транзисторе при использовании его в качеств входных каскадов усилителей напряжения, так как в этом слу-чае наиболее полно обеспечивается условие Яг-€.Рвх.

Найдем выходное сопротивление каскада, замкнув источник входного сигнала и подключив к выходным зажимам каскада пе-ременное напряжение.

(4.75)

Таким образом, выходное сопротивление каскада определяется сопротивлением резистора в стоковой цепи полевого транзистора

и составляет обычно единицы

11 i

Г

Рис. 4.22

килоом при использовании транзистора с управляющим р-л-пе-реходом и МДП-транзистора с индуцированным каналом и десятки килоом для МДП-транзистора с встроенным каналом.

Частотные искажения каскада с общим источником в области низких частот определяются постоянными времени перезаряда разделительных конденсаторов и конденсатора в цепи истока транзистора и могут быть рассчитаны по формулам (4.32), (4.35) и (4.40), выведенным для каскада с общим эмиттером.

Однако применительно к каскаду ОИ постоянные времени перезаряда конденсаторов Срь Ср2 Си в этих формулах соответственно равны

н! == (г + вх н); Т'кн ~ kRu-

при расчете частотных искажений каскада с общим истоком в области высоких частот по формуле (4.43) следует учитывать, что 5 - крутизна характеристики полевого транзистора - является действительной величиной, не зависящей от частоты. Тогда постоянная времени тв в формуле (4.43) будет определяться для каскада с общим истоком в основном перезарядом емкости в цепи нагрузки. Из эквивалентной схемы каскада с общим истоком в области высоких частот (рис. 4.22, а) следует Тв=Сн (ri/?cllh).



Если нагрузкой каскада с общим истоком является аналогичный каскад, то емкость нагрузки складывается из входной емкости полевого транзистора нагрузочного каскада Свх2=Свхпт, емкости сток - исток рассматриваемого каскада Сси и емкости монтажа См. т. е. Сн=Свхпт + Сси+См.

Определим входную емкость Свхпт полевого транзистора из эквивалентной схемы промежуточного (второго) каскада (рис 4.22,6).

Емкостный ток на входе каскада

V г / вх2 [ вх2 + ых2 вхЗ i

вх2 /e i- зс i- ij jc, -Г

+ -;+ ° -У' Квх2[Сзв + Сз, ( 1 +АГ о)].

Отсюда найдем входное емкостное сопротивление каскада Так как

X =£н1= !

-Bxnt=V/Bxn-..

ТО можно записать

Свхпг = Сз + Сзе(1+/С„о). (4.76)

Из выражения (4.76) следует, что основной вклад в нагрузочную емкость Сн будет вносить проходная емкость Сэс полевого транзистора.

§ 4.8. Каскад с общим стоком (истоковый повторитель)

Схемным аналогом эмиттерного повторителя является каскад с общим стоком (истоковый повторитель), принципиальная схема которого на полевом транзисторе и соответствующая ей эквивалентная схема в области средних частот полосы пропускания приведены на рис. 4.23.

Из эквивалентной схемы рис. 4.23, б получим

К а= вых/Ивх ~ SRJ{ 1 + SR) < 1; (4.77)

/?Bx = WxnT~/?s. (4.79)

Высокое входное сопротивление RbxRs и малое выходное сопротивление истокового повторителя определили его основное назначение-согласование сопротивлений без изменения амплитуды сигнала.



Для повышения входного сопротивления истокового повтори-теля используют схему рис. 4.24, в которой резистор заменен двумя резисторами Rai и /?и2. Сопротивление Rai создает необхо-


Рис. 4.23

Вых

димое автоматическое напряжение смещения \Ugno] = IcoRai, так как резистор Ra, осуществляющий гальваническую связь между затвором и истоком, подключен в точку а .

а

Рис. 4.24

Рис. 4.25

При таком построении схемы рис. 4.24 амплитуду переменного входного тока каскада /вх, протекающего через резистор Ra, можно определить как

/вх = Дз ?з=(вх-а)/з,

где {/дз=/7вх-t/a - падение напряжения на резисторе Ra от протекания тока 1вх.

Записав [J. = (J.

. вы1 = и^в

И обозначив

/?и2/(/?и1--/?и2) =Y. получим послс нссложных преобразований

йз=вх(1-л);

/вх = вх(1-Л) ?з.



Тогда входное сопротивление каскада (рис. 4.24) определяется из формулы

\-КиУ

(4.80)


т е. увеличивается в 1/(1-/Сиу) раз по сравнению с входным сопротивлением /?з каскада (рис. 4.23, а).

Схема каскада (рис. 4.24) используется также и в том случае, если требуемая амплитуда выходного напряжения больше, чем напряжение автоматического смещения ишо, соответствующее режиму класса А.

Входную емкость каскада с общим стоком (рис. 4.23, а) определим из эквивалентной схемы в области высоких частот, представленной на рис. 4.25:

С^х - Сзс + ( 1 - Кий)-

(4.81)

Сравним формулы (4.81) Рис. 4.26

И (4.76), можно сделать

вывод, что входная емкость в схеме каскада с общим стоком много меньше, чем в схеме с общим истоком.

§ 4.9. Выходные каскады (усилители мощности)

В главе 3 были рассмотрены принципы построения схем усилителей мощности, работающих в режимах А, В или АВ. Показано, что наиболее благоприятным режимом для выходных каскадов усиления мощности является режим класса АВ. Принципиальная схема двухтактного усилителя мощности на однотипных биполярных р-п-р транзисторах, работающего в режиме класса АВ, приведена на рис. 4.26. Небольшое смещение напряжения Uo, подается на базы транзисторов с помощью резисторов Ri и R2.

Вместо резистора R2 можно использовать прямосмещенный диод, создающий на базе транзистора напряжение смещения (/бо для обеспечения режима класса АВ.

Диод осуществляет также термокомпенсацию рабочей точки покоя, так как при изменении температуры напряжение f/бэ на эмиттерном переходе транзисторов и падение напряжения на открытом диоде меняются в одну и ту же сторону. Для получения большего эффекта термостабилизации диод и транзисторы еле-дует подбирать.

Расчет выходной мощности, КПД и нелинейных искажений в Каскаде усиления мощности класса АВ можно производить с д<-



статочной степенью точности по формулам (3.14), (3.16), (3.19), выведенным для режима класса В в § 3.2.

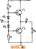
Трансформаторы, используемые в рассмотренных схемах, не позволяют снизить габариты и вес усилителей мощности, ухудшают их амплитудно-частотную характеристику. Изготовление трансформаторов требует больших затрат ручного труда, дефицитных материалов, и как элементы схемы трансформаторы имеют низкую надежность. Поэтому в настоящее время широко распространены бестрансформаторные двухтактные усилители мощности, построенные на паре транзисторов разного типа электропроводности (рис. 4.27, а).

1 I

Т (Г

Г

г

т


Рнс. 4.27

Схема состоит из двух однотактных эмиттерных повторителей (плеч), работающих попеременно, в течение одного полупериода входного сигнала. Питание плеч осуществляется раздельно, от двух разнополярных источников постоянного напряжения Е'к и Ек , объединенных общей шиной, которая обычно заземляется. Благодаря разному типу электропроводности транзисторов каскад не требует парафазных входных напряжений.

Отрицательная обратная связь позволяет уменьшить нелинейные искажения, а также влияние асимметрии плеч. Однако в схемах с использованием эмиттерных повторителей выходное напряжение не может превышать входное, т. е. происходит по существу лишь усиление тока. Каскад (рис. 4.27, а) работает следующим образом.

В отсутствие входного сигнала точка а имеет нулевой потенциал. На базе каждого из транзисторов за счет делителя R-VD создается постоянное напряжение смещения Обо, равное падению напряжения [/до на соответствующем диоде и обеспечивающее работу каскада в режиме класса АВ. Если пренебречь



током смещения базы транзистора /бо и положить £ = £ = s=£k, то через каждый диод протекает ток

/до=~~. (4.82)

При положительной полуволне входного напряжения с амплитудой Ubx диоды остзются открытыми. Напряжение Ubx поступает на базы транзисторов. При этом р-п-р транзистор VT2 запирается, а ток базы п-р-п транзистора VTi увеличивается на величину

/6i=f. (4.83)

Ток через диод VD1 становится равным

/кт=/д-/б1. (4.84)

где/;j=----ток через резистор R при положительном

Я

напряжении Ux.

Ток /vDi станет равным нулю, т. е. диод VD1 закроется, при максимальном значении {/вхтах, которое можно определить из формулы (4.84), положив в ней /vdi = 0. После преобразований получим

вхпгах-к -.Г (4-85)

Таким образом, для расширения динамического диапазона входного сигнала необходимо уменьшать сопротивление резистора R в цепи смещения. Однако при уменьшении R шунтируется входное сопрйтивление эмиттерного повторителя, составляющего плечо каскада.

При отрицательной полуволне входного напряжения Ubx запирается транзистор VTj и увеличивается ток транзистора VT2.

Процессы преобразования входного сигнала в каскаде усиления мощности для положительной и отрицательной полуволн протекают в принципе одинаково. Поэтому формулы (4.83) и (4.84) для обеих полуволн входного сигнала идентичны и отличаются лишь индексами, соответствующими открытому транзистору.

Графический расчет бестрансформаторного каскада производится по выходным характеристикам транзисторов и не отличается от графического расчета каскада с использованием трансформаторов. При этом роль сопротивления R/ в бестрансформаторном каскаде играет сопротивление /?н-

Для определения входного сопротивления, входной мощности и Нелинейных искажений бестрансформаторного каскада следует Пользоваться динамическими входными характеристиками, при по-



1 ... 5 6 7 8 9 10 11 ... 26
© 2004-2026 AVTK.RU. Поддержка сайта: +7 495 7950139 в тональном режиме 271761
Копирование материалов разрешено при условии активной ссылки.
Яндекс.Метрика