Разделы
Публикации
Популярные
Новые
Главная » Электронные устройства автоматики

1 ... 9 10 11 12 13 14 15 ... 26

pa являются навесными компонентами, подключаемыми к соответ-ствующим точкам микросхемы.

Общим недостатком усилителей с преобразованием сигнала усилителями типа МДМ является узкая полоса пропускания, так как модулирующая частота од должна быть в десять раз выше наибольшей частоты усиливаемого входного сигнала.

При проектировании усилителей постоянного тока с минимальным уровнем дрейфа и широкой полосой пропускания используют так называемые комбинированные схемы, состоящие из дифференциального усилителя (ДУ) с широкой полосой пропускания и усилителя типа МД/vi (рис. 5.20).

В схеме (рис. 5.20) медленно изменяющийся входной сигнал Ubx усиливается диф-ференциальным усилителем как по инвертирующему /, так и по неинвертирующему входу 2.

Считая, что усилитель МДМ изменяет фазу входного сигнала на противоположную, Рис 5 20 напряжение на выходе дифференциального

усилигеля определяется суммой усиленных напряжений по инвертирующему и неинвертирующему входам


вых=--1АГ д^вх+>*Гид(АГ дмвх ± Л£ др)].

(5.41)

где /Смдм - коэффициент усиления усилителя типа МДМ; /Сид -коэффициент усиления дифференциального усилителя; Д£др - напряжение дрейфа, приведенное к одному из входов дифференциального усилителя, в данном случае к входу 2. Преобразуем формулу (5.41)

вых = -[/С„д(1 + АГ д„)/вх ± АГдДЯдр]. (5.42)

Из формулы (5.42) следует, что дрейф в комбинированном усилителе по сравнению с обычным дифференциальным усилителем уменьшается в (1+мдм) раз, если считать усилитель МДМ бездрейфовым. Действительно, дрейф и полезный сигнал усиливаются дифференциальным усилителем в одинаковое число раз, а в комбинированном усилителе усиление полезного сигнала согласно формуле (5.42) в (1-{-/Смдм) раз больше, чем усиление сигнала дрейфа.

Высокочастотная составляющая входного сигнала не подавляется в комбинированной схеме усилителя, а усиливается по инвертирующему входу 1 в Кия раз дифференциальным усилителем, имеющим широкую полосу пропускания. В качестве дифференциального усилителя обычно используют операционный усилитель, свойства которого рассмотрены в гл. 6. 114



§ 5.5. Регулировка усиления сигнала в усилителях низкой частоты

При проектировании усилителей низкой частоты обычно предусматривают возможность регулировки усиления, позволяющей изменять в нужную сторону уровень сигнала на выходе усилительного устройства.


Рис 5 21

Величина, определяемая отношением коэффициентов усиления усилителя при двух крайних рабочих положениях регулятора, называется 1лубиной регулировки;

Обычно регулировка усиления осуществляется во входной цепи или в первых каскадах усилителя, так как при использовании регулятора в промежуточных каскадах увеличивается вероятность перегрузки предыдущих каскадов и возникновения нелинейных искажений на выходе усилителя.

Регулировка усиления может быть плавной и ступенчатой. На рис. 5.21, а приведена простейшая схема плавной регулировки с помощью переменного резистора (обычно типа СП, ВК, ТК), включенного в цепь базы или коллектора транзистора.

Основное достоинство такой схемы - простота и большая глубина регулировки. К недостаткам следует отнести изменение амплитудно-частотной характеристики усилителя в процессе регулирования усиления.

Если внутреннее сопротивление источника входного сигнала R. Много меньше входного сопротивления каскада /?вх каск, определенного с учетом действующих обратных связей, цепей смещения и стабилизации, то влиянием регулятора R на амплитудно-частотную характеристику усилителя можно пренебречь. Например, если

каск ?г= 102 103, выбирая R~V RtRbxkuzk , буДСМ ИМСТЬ

*каск ? = /? ?г= 10 ... 30. Для выполнения этих соотношений регу-



лятор можно включить между двумя эмиттерными повторителями или использовать каскады на полевых транзисторах.

В схеме рис. 5.21, б плавная регулировка усиления достигается путем включения переменного резистора в цепи эмиттера транзистора. При изменении сопротивления переменного резистора меняется глубина отрицательной обратной связи по току, а следовательно коэффициент усиления каскада. ,



Рис. 5 22

Рис. 5.23

ГлубНа регулировки в схеме рис. 5.21, б

Ки 213 . Як А21э

Ь1э

Плавная регулировка усиления широко используется в усилителях звуковой частоты радиотехнических устройств для изменения громкости звучания, в осциллографических и телевизионных усилителях для регулировки контрастности изображения и т. д.

Если требуется изменять коэффициент усиления в строго заданное число раз, то применяют ступенчатую регулировку. Ступенчатая регулировка осуществляется обычно с помощью переключателя и делителей.

Если делители включены таким образом, что выходное (или входное) сопротивление регулятора остается одинаковым при любом положении переключателя, то такой регулятор называется аттенюатором. На рис. 5.22 дана схема эмиттерного повторителя с аттенюатором на выходе.

В усилителях звуковой частоты кроме частотно-независимой регулировки усиления для изменения АЧХ применяется регулировка тембра звука, позволяющая плавно изменять коэффициент усиления в области высоких и низких частот. Простейший регулятор тембра высоких частот представляет собой переменный резистор ° и конденсатор С, последовательно соединенные друг с другом.

При включении регулятора в цепь межкаскадной связи усилителя (рис. 5.23) коэффициент усиления уменьшается в области



рерхних частот амплитудно-частотной характеристики, так как емкостное сопротивление конденсатора XclfaC шунтирует нагрузку каскада на транзисторе VTi. В области средних и низких частот сопротивление должно быть велико для того, чтобы регулятор оказывал влияние на коэффициент усиления только на высоких частотах. Изменяя сопротивление переменного резистора R, можно регулировать коэффициент усиления в области высоких частот. На рис. 5.24 представлена амплитудно-частотная характеристика усилителя при различных значениях сопротивления резистора R{R>-

>R )-


Рис. 5 24

Рис. 5.25

Регулятор тембра, изображенный на рис. 5.25, можно использовать для изменения окраски звука. Если увеличить емкость конденсатора С так, чтобы сопротивление шунтировало нагрузку каскада и на средних частотах амплитудно-частотной характеристики, то кривая спада верхних частот сдвигается влево. Тогда усилителем воспроизводятся полностью только сигналы НИЗКИХ частот, а сигналы средних и высоких частот звучат приглушенно.

На практике широко применяются регуляторы тембра, выполненные в виде схем для низких (рис. 5.25, а) и высоких (рис. 5.25, б) частот.

Вопросы и задачи для самопроверки

К § 5.3

1. Определить изменение коллекторного напряжения обоих транзисторов в хеме дифференциального усилителя (рис. 510), если на базы транзисторов поданы синфазные ЭДС одинакового значения ЛУвхсф=100 мВ. Чему равно вы-одное напряжение (/вых? При решении задачи считать, что параметры обоих Ранзисторов идентичны, а сопротивления к1=/?к2=Лк= 1,6 кОм, /?,=200 Ом. твет. Д(/ =д(;,2=д(; сф = 0,4 В, {;,ь,х = 0.

- Как влияет величина сопротивления резистора в эмиттерной цепи схемы рис. 5 10 на выходное напряжение при нендентичных параметрах транзисторов? , 3. Какую роль играет транзистор VT3 в схеме дифференциального каскада фис. 5 12)?

вых РВД^лнть изменение коллекторного напряжения АС/г транзистора VT2 и одного напряжения Д(/вых при подаче на входы симметричного днффереи-



циальиого каскада (рис. 5 10) приращения напряжения А£г=200 мВ. Внутреннее сопротивление источника входного сигнала /?г=800 Ом. Считать, что при подаче Afr потенциал иа базе транзистора VTj возрастает. Параметры транзис. торов идентичны и равны /г21э=20, Aii,=400 Ом. Сопротивления в коллекторных цепях /?ii = i?K2 = /?K=l,2 кОм. Сопротивление нагрузки R -oo. Ответ. Коллекторное напряжение (/ 2 уменьшается на 3 В, ЛС/вых = 6 В.

5. Дать определение дифференциальному и синфазному коэффициентам усд. ления симметричного каскада. Написать формулы для их нахождения с помощью параметров транзистора и схемы.

6. Как изменится дифференциальный коэффициент усиления /Си д = 50 в схеме рис. 5.10 при подключении нагрузки Яи=2 кОм? Параметры транзисторов идентичны и равны /i2i3=25, /гцэ = 300 Ом. Сопротивления R-i кОм, R=~ = 400 Ом. Ответ. Коэффициент усиления уменьшается в два раза.

7. Как изменится дифференциальный коэффициент усиления в схеме рис. 5 10 если выходное напряжение снимать между коллектором одного из транзисторов и землей ? Считать /? ->-оо. Ответ. Коэффициент усиления уменьшится в два раза.

8. Какой из входов дифференциального каскада с несимметричным выходом (рис. 5.13, а) является инвертирующим?

9. Определить приращение выходного напряжения в схеме дифференциального каскада с несимметричным выходом при подаче на входы / и 2 ЭДС: £1= = 0,1 В, Ег9=0,2 В. Параметры транзисторов идентичны и равны Нц, = 40, кцъ^ = 600 Ом. Сопротивления /?г| = 200 Ом, /?г2 = 400 Ом, Rk=1,8 кОм, Как изменится выходное иапряжеиие, если изменится полярность напряжения иа входе 2 Ответ. 1) Л(;вых=4 В; 2) Л(/,ь,х=12 В.

10. Определить коэффициент подавления синфазного сигнала в дифференциальном каскаде с несимметричным выходом. Параметры транзисторов идентичны и равны /1213 = 60, Aii3 = 500 Ом. Сопротивления i?r=200 Ом, /?э=400 Ом. Ответ. /Спад = 40.

11. Во сколько раз коэффициент подавления синфазного сигнала в схеме с симметричным выходом выше, чем коэффициент подавления в схеме с несимметричным выходом?

12. Сравните дифференциальные каскады иа полевых и биполярных транзисторах.

ГЛАВА 6 ОПЕРАЦИОННЫЕ УСИЛИТЕЛИ

§ 6.1. Общие сведения

Широкие функциональные возможности дифференциальных усилителей позволили создать на их основе интегральные схемы высококачественных усилителей, обладающих большими коэффициентами усиления дифференциального сигнала и подавления синфазного, с широкой полосой пропускания, большим входным и малым выходным сопротивлениями, низким уровнем линейных и нелинейных искажений. Такие интегральные усилители получили название операционных, так как с их помощью путем введения линейных и нелинейных элементов отрицательной обратной связи можно производить с большой точностью математические операции- суммирование, вычитание, интегрирование, дифференцирование, логарифмирование и т. д. Операционные усилители (ОУ) мозК




Рнс. 6.1

но использовать не только для выполнения математических операций, но И для усиления, генерирования, формирования, преобразования И детектирования сигналов. Можно с уверенностью сказать, что ОУ являются ОДНИМИ ИЗ самых универсальных элементов радиоэлектроники.

Большинство операционных усилителей изготовляются в монолитном исполнении по полупроводниковой интегральной технологии, обеспечивающей хорошую повторяемость характеристик в партии, низкую стоимость, высокую надежность. В гибридном исполнении выпускаются ИОУ специального назначения, которые нельзя по различным соображениям реализовать в монолитной форме. Условное обозначение операционного усилителя как функционального элемента приведено на рис. 6.1. Операционный усилитель имеет два входа: инвертирующий и неинвертирующий.

Благодаря использованию двух разнополярных источников питания выходное напряжение может изменяться при поступлении дифференциального входного сигнала как в положительную, так и в отрицательную сторону относительно нулевой общей точки схемы, которая обычно заземляется.

§ 6.2. Эквивалентная схема и основные параметры

Независимо от сложности принципиальной структурная схема ОУ содержит следующие основные функциональные узлы: входной каскад, промежуточный - усилитель напряжения, схему сдвига потенциального уровня и выходной каскад - усилитель мощности (рис. 6.2).

Вхг

Входной

Усилитель

Схема сдвига уроёня

Усилитель

напряжения

мощности

Выход

Рис. 6.2

Входной каскад представляет собой дифференциальный усилитель, свойства которого определяют входные параметры всего операционного усилителя. К входным параметрам ОУ относится дифференциальное входное сопротивление Явхоу, измеренное между входами ОУ. Для повышения /?вхоу во входном каскаде использу- от полевые транзисторы или биполярные транзисторы со сверхвысоким коэффициентом усиления тока базы hia в микроампер- *иапазоне рабочих токов. Например, при /эо=10 мкА, Л21э= ШО будем иметь

-А21эГ,=Л21э-Ц^=26. МОм.

Raxoy = fl



к входным параметрам ОУ также относятся входное напряжение смещения {/вхсм и разность базовых токов смещения ioi и 1 Эти параметры отражают факт появления напряжения ошибки на выходе ОУ при его замкнутых входах.

Напряжение ошибки {/выхош определяется двумя составляющими: и'яык ош и {/ выхош. Первая составляющая f/выхош обусловлена разбалансом внутри входного каскада. Несимметрия входного диф. ференциального усилителя, в частности неидентичность напряжений {/бэо транзисторов, приводит к разным коллекторным токам и, как следствие, к появлению напряжения разбаланса на выходе каскада даже при одинаковых потенциалах на его входах, т. е. при нулевом дифференциальном входном напряжении. Напряжение разбаланса, усиливаясь последующими каскадами ОУ, вызывает появление на выходе ОУ составляющей напряжения ошибки f/вых ош. Значение {/вых ош определяется по входному напряжению смещения {/вх см= f/вых ош Си оу, которое является справочной величиной, задаваемой разработчиками для каждого типа ОУ (/( оу- коэффициент усиления дифференциального сигнала операционного усилителя). Входное напряжение смещения Ubx си основных типов ОУ лежит обычно в пределах ±(1 -10) мВ и показывает, какое напряжение следует приложить к входам ОУ для приведения напряжения ошибки {/выхош на выходе ОУ к нулю.

Вторая составляющая выходного напряжения ошибки f/выхош обусловлена разностью входных токов дифференциального усилителя ОУ.

При неидентичности параметров транзисторов дифференциального каскада ОУ базовые токи смещения /501 и /502 по значению будут отличаться друг от друга. Вследствие неравенства базовых токов напряжения на входах / и 2 относительно земли также будут различны, что приведет к возникновению дифференциальиого входного напряжения. Усиливаясь, это напряжение вызывает появление второй составляющей выходного напряжения ошибки

t/выхош. Разностный ток /вхразн= /б01-/б02> ТаК ЖС КаК и f/flXCMi

является справочным параметром. Для основных типов ОУ значения лежат в пределах 0,02-3 мкА.

Казалось бы, составляющую {/ вых от можно исключить, обеспечив нулевые значения базовых токов /501 и /бог- К сожалению, этого нельзя сделать, так как при нулевых значениях базовых токов транзисторы дифференциального каскада были бы закрыты. Задавая определенное значение базового тока, обеспечивают номинальный режим работы транзистора.

В отдельных случаях составляющие выходного напряжения ошибки, обусловленные совместным действием Uxcm и /вхразш направлены противоположно и компенсируют друг друга. В другие случаях они складываются, и выходное напряжение ошибки является суммой составляющих t/выхош и f/выхош-



Для установки нулевого уровня выходного напряжения ОУ используют цепь регулировки нуля, состоящую из системы резисторов, подключенных к одному из входов ОУ.

Промежуточный каскад - дифференциальный усилитель с не-сймметричным выходом - обеспечивает необходимое усиление по напряжению всего операционного усилителя.

Схема сдвига потенциального уровня осуществляет изменение уровня постоянного напряжения на выходе промежуточного каскада до нулевого уровня, если дифференциальный сигнал на входах ОУ отсутствует. Простейшие схемы сдвига рассмотрены в §5.3.

Выходным каскадом ОУ является усилитель мощности, выполненный по схеме двухтактного эмиттерного повторителя, работающего в режиме АВ.

Свойства выходного каскада определяют выходные параметры операционного усилителя: выходное сопротивление /?выхоу, максимальный выходной ток /вых max, измерясмый при максимальном выходном напряжении Usuxmax- Иногда приводится минимальное

сопротивление нагрузки /?iimln= {/выхтах выхтах, f/вых max - МЗКСИ-

мальное выходное напряжение, или уровень ограничения выходного сигнала. При двухполярном питании ОУ имеются два уровня ограничения: положительный и отрицательный. Для большинства

типов ОУ имеем f/вых max = ±10 В.

Стандартные операционные усилители, выпускаемые промышленностью, имеют выходную мощность не более 50 мВт. Однако сейчас разработаны и мощные ОУ с выходной мощностью от единиц до нескольких десятков ватт. К важным параметрам операционного усилителя, определяемым структурой н элементной базой ОУ, также относятся:

коэффициент усиления по напряжению дифференциального сигнала Ки оу] большинство операционных усилителей имеет Ки оу до сотен тысяч;

коэффициент ослабления синфазного сигнала /СослсФ, определяемый как отношение коэффициента усиления дифференцального сигнала к коэффициенту усиления синфазного;

частота единичного усиления f, т. е. частота, при которой схема теряет свои усилительные свойства (/Сиоу=1);

скорость нарастания выходного напряжения Уи вых - максимальная скорость изменения во времени напряжения на выходе ОУ при подаче на входы скачка напряжения;

ток потребления ОУ.

Области применения операционных усилителей

д общего применения - это универсальные элементы, от-

чающиеся низкой стоимостью, малыми размерами, не очень вы-кими коэффициентом усиления, входным сопротивлением и быстродействием.




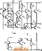
Принципиальная схема интегрального операционного усилите-ля общего применения типа К153УД1 (А, Б), выпускаемого отечественной промышленностью, приведена на рис. 6.3. Входной диф. ференциальный каскад ОУ выполнен на транзисторах VTi и VTj, в эмиттерные цепи которых включен генератор стабильного тока на транзисторе VTu. Каскад обеспечивает высокое входное сопротивление ОУ, так как работает в микроамперном диапазоне токов. Промежуточный дифференциальный каскад, выполненный на

составных транзисторах VT3--VT5 и VT4-УТб, обеспечивает основное усиление ОУ. Для снижения влияния температуры окружающей среды и напряжения источников питания создается отрицательная обратная связь за счет протекания общего эмиттерного тока транзисторов VT5 и VTg через делитель в цепи

o-Kvr /rS-UU I-I-h°5 б^зы транзистора УТц. Транзисто-

о-1----1 Jr-CvT Ры VTs и VTg обеспечивают сдвиг

г I . I ;?,.Пр..П 1 уровня сигнала. Сигнал после уси-

ления каскадом ОЭ на транзисторе VT12 поступает на вход двухтактного эмиттерного повторителя, выполненного на транзисторах разного типа проводимости VT13, VTu. Интегральная микросхема ОУ типа 153УД1 принадлежит к операционным усилителям первого поколения. Микросхемы второго поколения ОУ типа 153УД2, 153УД6 по сравению с микросхемой 153УД1 имеют более высокие входное сопротивление и коэффициент усиления при меньших токах потребления. Большим преимуществом микросхем 153УД2, 153УД6 является широкий диапазон допустимого изменения напряжения источника питания (от 20 до 5 В).

2. Прецизионные ОУ, обладающие малыми напряжениями смещения, высокими коэффициентами усиления дифференциального сигнала и подавления синфазного, малым уровнем шума. К ним относятся микросхемы ОУ типа 153УД5.

3. Электрометрические ОУ типа 140УД6, 1401УД14, 544УД1, 140УД8, имеющие очень большое входное сопротивление, малые входные токи и шумы.

4. Быстродействующие ОУ типа 140УД11, предназначенные для усиления импульсных сигналов и сигналов высокой частоты, они имеют широкую полосу пропускания и высокую скорость нарастания выходного напряжения. Однако при этом ухудшаются остальные параметры усилителя в частности, возрастает потребление мощности, что ограничивает применение ОУ как универсального элемента.

Рис. 6.3



5. Микромощные ОУ типа 140УД12, 153УД4, потребляющие чень малую мощность (в режиме покоя около 10~ Вт). ° Параметры некоторых типов отечественных операционных усилителей приведены в приложении табл. П.З.

§ 6.3. Линейные схемы на операционных усилителях

Операционный усилитель как линейное устройство, обеспечивающее минимальные искажения входного сигнала, редко используется без обратной связи. Это объясняется тем, что из-за очень большого значения коэффициента усиления ОУ без обратной связи даже при сравнительно малом входном дифференциальном напряжении выходное напряжение может достигать предельных значений f/вых max, ограничиваясь и искажаясь. При использовании же отрицательной обратной связи можно подобрать необ.ходимое значение коэффициента усиления ОУ и обеспечить его стабильность в заданных пределах.

Инвертирующий усилитель, на рис. 6.4, предназначен для усиления


Рис. 6.4

схема которого приведена с минимальными искажениями сигнала, поступающего от источника Ег на инвертирующий вход ОУ. Выходной сигнал усилителя имеет фазу, противоположную фазе входного.

Усилитель охвачен параллельной отрицательной связью по напряжению (см. гл. 2), поэтому его входное сопротивление, измеренное в точках 1-2, определяется формулой

вх1-2- \Рж1(.-\-Киоу)] lBxoy

Для практических расчетов операционный усилитель можно считать идеальным, т. е. принимаем Ки оу-

ОО, Дв

, 1 , оу-Авхоу--О'.

Тогда /?вх 1-20, Т. е. потенциалы точек / и 2 остаются одинаковыми при любых изменениях входного сигнала, обеспечивающих линейное изменение выходного сигнала. Так как точка 2 (неинвертирующий вход ОУ) заземлена, то потенциал в точке / (на инвертирующем входе ОУ) остается равным нулю при всех допустимых изменениях Ег. Следовательно, токи во входной цепи /вх и цепи Обратной связи /ос

-вх = г/(г+)> -ос=-вых/ос-

Так как Rexoy-oo, т. е. входной ток не ответвляется в цепь ОУ можно записать

;/з, или EM-i-R)=-U,jRo



1 ... 9 10 11 12 13 14 15 ... 26
© 2004-2026 AVTK.RU. Поддержка сайта: +7 495 7950139 в тональном режиме 271761
Копирование материалов разрешено при условии активной ссылки.
Яндекс.Метрика