Разделы
Публикации
Популярные
Новые
Главная » Электронные устройства автоматики

1 ... 8 9 10 11 12 13 14 ... 26


Дания глубокой отрицательной обратной связи) и малым по посте явному току (для обеспечения номинального режима транзисторов VTi и VTs). Таким нелинейным элементом является транзистор УТз, работающий как источник стабильного тока, т. е. сохраняю, щий постоянство коллекторного тока /кз при различных изменениях коллекторного напряжения. Схема дифференциального усилителя с источником стабильного тока в эмиттерной цепи представ-лена на рис. 5.12 (см. § 4.9).

Если нагрузка дифференциального усилителя должна быть заземленной, то используют схему с несимметричным выходом (рис.

5.13, а). Нулевое выходное напряже- ние при заземленных входах (С/вх1 = 0, fBx2 = 0) обеспечивается с помощью делителя напряжения Ri-R2. Однако такой способ имеет недостатки: дели-%г тель шунтирует выход дифференци--JL ального усилителя и уменьшает его коэффициент усиления Кия- Для устранения первого недостатка выбирают (Ri-]-R2)Rk, а если это затруднительно, то используют эмиттерный повторитель на транзисторе VT3, вход Рис. 5 12 которого подключен к выходу диффе-

ренциального усилителя, а выходное напряжение снимается с делителя Ri-R2 (рис. 5.23, б).

Чтобы предотвратить уменьшение коэффициента усиления Ки?. за счет деления напряжения на резисторах R\ и R2 в схеме рис. 5.13, б, вместо резистора R2 включают транзистор VT4 по схеме с общей базой, работающий в режиме источника постоянного тока (рис. 5.13, в). Сопротивление транзистора по переменному току велико и равно сопротивлению коллекторного перехода Гк, а по постоянному- мало. В результате в отсутствие входного сигнала дифференциального усилителя напряжения па выходе схемы рис. 5.13, в равно нулю, а переменный сигнал даже самой низкой частоты практически без изменения проходит в нагрузку.

Коэффициент усиления синфазного сигнала в схеме с несимметричным выходом определяется формулой (5.25), так как К*исф = Кисф. При использовании источника стабильного тока (транзистор VT3) можно записать

Кисф-

Рассмотрим теперь процесс усиления дифференциального полезного сигнала. Пусть на входах дифференциального усилителя (рис. 5.13, а) действуют напряжения разного уровня {7вх1>вх2, т. е. на входы усилителя подан дифференциальный сигнал

А^вхд=/з,г-зх2.



Учитывая нечувствительность схемы к синфазному сигналу, т. е. К дфЯ^О, можно считать, что сигнал на входе 2 отсутствует (вход заземлен), а на вход / подается сигнал, равный дифференциальному сигналу AUbxi = IJbxi-Ubx2-



Рис. 5 13

Полагая, что выходной сигнал снимается с коллектора транзистора VT2 (делитель R\-R2 не учитывается), процесс прохождения сигнала Af/exi через дифференциальный усилитель можно описать следующим образом. Сигнал Af/exi проходит через эмиттерный повторитель на транзисторе VTi с коэффициентом передачи Кип\ - = Аи(М1вх1 и поступает на вход каскада с общей базой, выполненного на транзисторе VT2, усиливается в /Сиб2 = А^кг/А^э! раз и создает приращение коллекторного напряжения А^/к2 = uni/Cu62A/7Bxi = /CuiA{/Bxi, где /Cui = Af7K2/Af/Bxi = /Cuni/Cu62 -коэффициент усиления усилителя по входу / (сигнал на входе 2 отсутствует). Фаза выходного сигнала совпадает с фазой входного, е. вход / является неинвертирующнм.

Если на входы усилителя (рис. 5.13) подается дифференциальный сигнал AUbx = Ubx2-(Jsxu т. е. уровень сигнала на входе 2 больше, чем на входе У, то удобно считать, что вход / заземлен, а а входе 2 действует сигнал, равный дифференциальному сигналу д. *2=вх2-fBxi. Тогда приращение коллекторного напряжения и2 определяется коэффициентом усиления каскада с общим



эмиттером /С'иэ2 на транзисторе VTi, в эмиттерную цепь которо. го включено сопротивление /?э = /?выхп1, равное выходному сопротивлению эмиттерного повторителя на транзисторе VTi:

выхп1 = э + Гб/(1+А21э)- (5.28)

Так как параметры транзисторов VTi и VT2 идентичны, форму, ла (5.28) применима и к транзистору VT2.

Коэффициент усиления К' иэ2 МОЖНО найти из эквивалентной схемы обычного каскада с общим эмиттером (см. рис. 4.1, б), в которой вместо параметра и подставляют сумму Гэ и R. Из эквивалентной схемы следует

К'иь2=Ш^ьи1= -hiRJRi.

Учитывая, что входное сопротивление каскада на транзисторе VT2 определяется формулой /?вхэ2 = Гб+(1+/г21э)/(/-э+Л'э), а Ra= jRehxhi - формулой (5.28), после несложных преобразований получим

Диэ2-------- , (Ь.29)

2Й11Э 2

где /Саэ=--коэффициент усиления обычного каскада

с общим эмиттером.

Знак минус в формуле (5.29) показывает, что при положительном значении MJxi фаза выходного сигнала изменяется на противоположную, т. е. вход 2 является инвертирующим.

Запишем /С„2 = /С'иэ2 = Киэ/2 -коэффициент усиления дифференциального усилителя по входу 2, когда сигнал на входе 1 отсутствует (без учета делителя Ry-Ri).

Так как оба рассмотренных случая определения Ки\ и Ки2 отражают один общий случай поступления на оба входа усилителя дифференциального сигнала (рис. 5.13, а), то можно считать, что по абсолютной величине при

Т. е. коэффициент усиления дифференциального сигнала в схеме усилителя с несимметричным заземленным выходом (рис. 5.13, а) по абсолютной величине равен половине коэффициента усиления обычного каскада с общим эмиттером без обратной связи (без учета делителя напряжения Ri-Ri).

Так как структура схемы усилителя симметрична, то коэффициент усиления дифференциального сигнала \Кия\ не изменится, если выходное напряжение снимать с коллектора транзистора VTi, однако вход / в этом случае является инвертирующим, а вход 2 - неинвертирующим.



Для случая симметричного выхода, когда выходное напряжение снимают с коллекторов обоих транзисторов (рис. 5.10), имеем

Приращения Af/H2 и AUi можно найти, как и раньше, приведя j( одному из входов, например, / , дифференциальное напряжение Д[/вхд- При действии на входе / приведенного сигнала At/sx, равного дифференциальному сигналу, на обоих входах, в полностью симметричной схеме получим

Знак минус в последней формуле показывает, что приращения Д^/к1 и А^/к2 направлены в разные стороны. Следовательно,

А^вых = (АГ д+/С„ д) А^вх:=2Л' К и э А^/вх:- (5.31)

Таким образом, коэффициент усиления дифференциального усилителя с симметричным выходом (см. рис. 5.10) /Сидс =

=Af/Bbix/Af/Bxi = 2K днс = /Си э равен коэффициенту усиления обычного каскада с общим эмиттером и превышает в два раза коэффициент усиления дифференциального сигнала /С„днс усилителя с несимметричным выходом.

При включении нагрузки Rn в схему с симметричным выходом (см. рис. 5.10) средняя точка резистора всегда будет иметь нулевой потенциал, так как потенциалы симметричных точек при воздействии дифференциального сигнала изменяются на одно и то же значение, но в противоположных направлениях.

Следовательно, каждый из транзисторов усилителя нагружен иа резистор Ral2 и коэффициент усиления дифференциального сигнала с учетом нагрузки определяется выражением

jm, (5.32)

Одним из основных применений ДУ является усиление малых сигналов на фоне больших синфазных помех различного происхождения. Поэтому качество ДУ оценивают с помощью коэффициента подавления синфазного сигнала, определяемого как отношение коэффициента усиления дифференциального сигнала к коэффициен-

передачи синфазного, т. е. Кпо^Ки д1Ки сф.

Для сравнения коэффициентов подавления в схемах ДУ с не-имметричным и симметричным выходами предположим, что в р герные цепи транзисторов обеих схем включен резистор R.

азброс параметров транзисторов усилителя мало сказывается а изменении выходного напряжения усилителя с несимметричным

одом. Тогда коэффициент подавления в схеме с несимметрич-




ным выходом найдем, воспользовавшись формулами (5.30) и (5.25) для /Сидис и Кисф. Разделив (5.30) на (5.25), получим

Споднсгиэ/пэ- (5.33)

В схеме с симметричным выходом ДС/выхсф определяется раз. ностью изменений коллекторных напряжений А{/к1сф и ДС/н2сф схемы, возникшей за счет разброса параметров транзисторов. Для определения коэффициента подавления схемы рис. 5.10 можно пользоваться формулой

/С„олс=Т7Т-, (5.34)

б| учитывает относительные разбросы отдельных параметров

транзисторов. Из формул (5.33) и (5.34) следует, что коэффициент подавления синфазного сигнала в схеме с симметричным выходом в 1/б| раз больше коэффициента подавления в схеме с несимметричным выходом, так как /Споднс=

= I б I Кпод. с.

-°~Е При работе ДУ от источника с боль-

р^ шим внутренним сопротивлением Rr час-

то возникает проблема повышения вход-

ного сопротивления усилителя. Входное сопротивление усилителя по каждому входу равно

/?вх1(/?в.2) = Гб+(1+/г21,)(Г,--адз ).

Раскрывая bhxii=Aii6=3-1--~- и полагая /?э>/?выхп,

1 + Я21Э

получаем

2Гб + 2гЛ 1 + Лг.э) = 2Л„,. (5.35)

Входное сопротивление, измеренное между входами 1 и 2 усилителя,

/?з,1 22Л„ (5.36)

так как в данном случае каждый транзистор схемы работает как в обычном каскаде ОЭ. Если в формулах (5.35) и (5.36) положить Гб=150 Ом; Гз=50 Ом (при /э=0,5 мА); /1213= 100, то получим /?вх1=10,3 кОм; /?вх 1-2= 10,3 кОм.

Для повышения входного сопротивления дифференциального каскада в эмиттерные цепи транзисторов включают резисторы Ro (рис. 5.14), позволяющие искусственно увеличить сопротивления Гэ. так как в этом случае

/?вх1 ~ 2 [гв + (г,+/?о) (1 + А21,)]. (5.37)



Кроме того, это улучшает симметрию дифференциального каскада, так как при /?о^/э устраняется влияние разброса параметров

Включение резисторов /?о расширяет также диапазон входных сигналов. В отсутствие Rq максимальный входной сигнал AUaxmax, который можно подать на один из входов каскада при заземленном другом входе, составляет примерно 1 В. При наличии Ro напряжение f/вхтах увеличивается на падение напряжения i3r0. Повысить входное сопротивление дифференциального каскада можно, используя составной транзистор (см. § 4.9).

Входное сопротивление дифференциального каскада с составными транзисторами и резисторами связки Ro определяется выражением

/?вх1 = 2[Гб + (1+Л21эЬэ)(Га-Ь/?о)12Л21э/г21э/?о- (5-38)

Полагая /?о = 400 Ом, /i2i3=/i 2i3= ЮО, получим /?вх1 = 8 МОм, /?вх 1-2 = 4 МОм.

Однако в дифференциальном каскаде с составными транзисторами увеличивается асимметрия схемы, так как сказывается разброс параметров уже не двух, а четырех транзисторов и, как следствие, возрастает дрейф выходного напряжения в усилителях с симметричным выходом.

Так как разброс параметров мало сказывается на дрейфе выходного напряжения усилителя с несимметричным выходом, то составные транзисторы целесообразно использовать именно в такой схеме. При использовании составных транзисторов существенно повышается коэффициент усиления дифференциального сигнала усилителя. Для схемы с несимметричным


Рис. 5.15

выходом

иднс

R xi

или с учетом резисторов Ro

Для схемы с симметричным выходом или с учетом того, что Ро>Гэ,

(5.39)

(5.40) 109



Как следует из формул (5.39), (5.40), коэффициент усиления Кия в схемах дифференциальных усилителей на составных транзисторах практически не зависит от параметров транзисторов и определяется отношением резисторов Rk и Rq.

В настоящее время в схеме ДУ все чаще используются полевые

транзисторы. Такие схемы на полевых транзисторах построены аналогично схемам на биполярных транзисторах. Основным их достоинством является высокое входное сопротивление (сотни килоом). Однако схемы на полевых транзисторах имеют меньшие коэффициенты усиления Киц, и подавления /Сод по сравнению со схемами на биполярных транзисторах.

Для повышения коэффициента усиления дифференциального сигнала Кал вместо стоковых резисторов зключают другие полевые транзисторы, внутреннее сопротивление которых в этом случае является нагрузкой основных транзисторов (рис. 5.15).

Рис. 5.16


Рис. 5.17

§ 5.4. Усилители постоянного тока с преобразованием сигнала

В рассмотренных усилителях постоянного тока практически невозможно добиться отсутствия дрейфа. Это объясняется неодинаковой реакцией элементов схемы на изменение температуры. Поэтому для усиления малых сигналов постоянного тока применяют усилители постоянного тока, постоянный входной сигнал которых преобразуется в пропорциональный ему переменный, усиливается с помощью усилителя переменного тока, а затем снова преобразуется в сигнал постоянного тока. При этом дрейф будет меньше,



ем в усилителях с непосредственной связью, так как в данном лучае дрейф не передается от каскада к каскаду. Структурная схема усилителя с преобразованием и временные диаграммы ее работы приведены на рис. 5.16, а-д.

Преобразование постоянного сигнала в переменный осуществляется с помощью модулятора М. Простейший модулятор представляет собой трансформатор, концы входной обмотки которого попеременно подключаются к источнику входного сигнала с помощью ключевых элементов К\ и Кч-

Ключи управляются сигналом мод от генератора модулирующего напряжения ГМН и могут быть механическими (например, на основе поляризованного реле или вибратора), транзисторными и диодными. Частота колебаний модулирующего источника должна в 10-20 раз превышать верхнюю частоту спектра преобразуемого сигнала, иначе на выходе усилителя форма сигнала окажется искаженной. В результате на выходной обмотке трансформатора будем иметь переменный сигнал с периодически изменяющейся полярностью (см. рис. 4.16, г) и огибающей, соответствующей закону изменения входного напряжения. При изменении знака входного напряжения {/вх фаза переменного напряжения на выходе модулятора Мм изменяется на противоположную. Благодаря трансформаторной связи постоянная составляющая выходного напряжения модулятора отсутствует.

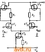
В схеме транзисторного модулятора (рис. 5.17) модулирующий сигнал мод создает на базах транзисторов VTj и VT2 противофазные напряжения б и б, обеспечивающие противоположные состояния транзисторов.

Полярность противофазных напряжений изменяется с каждым полупериодом од. Пусть в течение полупериода од на базу транзистора VTi поступает положительное напряжение. Тогда транзистор VTi будет закрыт (входная цепь разомкнута). Одновременно на базу транзистора VT2 поступает отрицательное напряжение. При этом транзистор VT2 открыт и находится в режиме насыщения. Насыщенный транзистор имеет очень малое внутреннее сопротивление и представляет собой цепь, замкнутую накоротко. В другой полупериод од напряжения б и ы б изменяют полярность, транзистор VTi открывается и входит в режим насыщения, а VT2 закрывается. Временная диаграмма выходного напряжения транзисторного модулятора не отличаются от временной диаграммы работы электромеханического модулятора (см. рис. 5.16). Транзисторные модуляторы имеют большой срок службы и высокую частоту переключения / одтах = 500... 1000 Гц. Однако обратный ток акрытого транзистора и остаточное напряжение открытого тран-истора вызывают дрейф уровней переменного сигнала на выходе одулятора и всего усилителя. Для уменьшения остаточного напряжения в схеме модулятора (рис. 5.17) транзисторы управляют-

по коллекторному переходу, т. е. управляющие напряжения ы'б



и ы б приложены не к эмиттерному, как в обычной схеме ОЭ, а к коллекторному переходу. Уменьшить остаточное напряжение можно, применив так называемые компенсированные ключи, пред. ставляющие собой последовательное встречное включение двух транзисторов, которые открываются и закрываются одновременно под действием управляющего напряжения мод- При открытом состоянии транзисторов их остаточные напряжения компенсируют друг друга. Компенсированные ключи выполняются в виде интегральной микросхемы, что исключает разброс остаточных напряжений отдельных транзисторов. Модулятор, выполненный на основе компенсированного ключа типа 124КТ1 (выделен штриховыми линиями) с нагрузкой в виде усилителя переменного тока, представлен на рис. 5.18, а, а временные диаграммы его работы - на рис 5.18, б, в, г, д.

При отрицательной полярности моделирующего напряжения (плюс в точке а) микросхема закрыта и входной сигнал без искажения поступает на вход усилителя переменного тока, при положительной полярности мод транзисторы микросхемы находятся в насыщении, их остаточные напряжения компенсируют друг друга, напряжение на выходе модулятора близко к нулю. Таким образом, на выходе модулятора получим последовательность одно-полярных импульсов Um с огибающей, соответствующей закону изменения входного напряжения. При изменении знака Ubk (рис. 5.18, в) выходные импульсы также изменяют свою полярность.

В качестве усилителя переменного тока, являющегося нагрузкой модулятора (см. рис. 5.18, а), обычно используется интегральный операционный усилитель (см. гл. 6), на выходе и входе которого включены разделительные конденсаторы Cpi и Срг большой емкости. Поэтому постоянная составляющая и дрейф на выходе усилителя отсутствуют (рис. 5.18, д).

Усилитель переменного тока не пропускает также низкочастотных шумов, которые в некоторых случаях оказывают более сильное влияние на полезный сигнал, чем температурный дрейф.

Демодулятор ДМ осуществляет обратное преобразование пере- менного сигнала в постоянный. Простейший демодулятор представляет собой транзисторный ключ (прерыватель тока), отпирание и запирание которого определяются сигналом генератора модулирующего напряжения, и сглаживающий фильтр (см. гл. 8, § 8.3). Принципиальная схема и временные диаграммы работы такого демодулятора представлены на рис. 5.19, а-д.

При отрицательной полярности модулирующего напряжения на базе транзистора ключ закрыт и напряжение с выхода усиливателя проходит на вход сглаживающего фильтра. При положительной полярности мод ключ открыт и шунтирует выходное напряжение усилителя. Таким образом, на вход сглаживающего фильтра поступает выпрямленное напряжение, полярность которого зависит от фазы выходного напряжения усилителя переменного тока. Сгла-



живающий фильтр пропускает сигналы низкой и шунтирует сигналы высокой частоты, поэтому на выходе его получим напряжение, соответствуюшее закону изменения огибаюшей выпрямленного напряжения на входе фильтра.


мой

О О

О

Г

1

- II

1

1 J


Рис. 5.18

С развитием микроэлектронной технологии все большее распространение получают интегральные усилители МДМ, выполненные на одном кристалле. Примером такого усилителя МДМ является микросхема типа К140УД13 на МДП-транзисторах с ин-ДУЦированным р-каналом. Микросхема включает в себя модулятор, * Модулятор, усилитель переменного тока и внутренний генератор РЯмоугольных импульсов. Разделительный конденсатор на выхо-Усилителя переменного тока и элементы сглаживающего фильт-

7628



1 ... 8 9 10 11 12 13 14 ... 26
© 2004-2026 AVTK.RU. Поддержка сайта: +7 495 7950139 в тональном режиме 271761
Копирование материалов разрешено при условии активной ссылки.
Яндекс.Метрика