Разделы
Публикации
Популярные
Новые
Главная » Электронные устройства автоматики

1 ... 7 8 9 10 11 12 13 ... 26

Расчет усилителя в области низких частот обычно производит-ся при заданных М^ус и сон- Полагая, что частотные искажения Ма в отдельных цепях усилителя одинаковы, будем иметь

нус (5.3)

?н=?нус/г, (5.4)

где t - число цепей усилителя, создающих низкочастотные иска-

жения.


Рис. 5 2

Коэффициент высокочастотных искажений многокаскадного усилителя Мвус определяется произведением коэффициентов высокочастотных искажений отдельных каскадов. Если Мвус задан, то удобно распределить высокочастотные искажения поровну между каскадами. Тогда коэффициент высокочастотных искажений отдельного каскада можно найти из формулы

вуо

(5.5)

где п - число каскадов.

Фазовый сдвиг между входным и выходным напряжениями всего усилителя в области высоких частот определяется как сумма фазовых сдвигов в отдельных каскадах. Если высокочастотные искажения распределены между каскадами усилителя поровну, т. е. Тв1=Тв2= - =Твп, то суммарный фазовый сдвиг можно определить из формулы фвус = Пфв.

Из формул (5.3) и (5.5) следует, что с увеличением числа каскадов полоса пропускания усилителя сужается. Для расширения полосы пропускания и повышения стабильности коэффициента усиления можно ввести отрицательную обратную связь. При этом, однако, необходимо учитывать, что увеличение фазового сдвига Фус приводит к неустойчивой работе многокаскадного усилителя в области граничных частот полосы пропускания, так как отрица-



ельная обратная связь на этих частотах может трансформироваться в положительную (см. рис. 2.9).

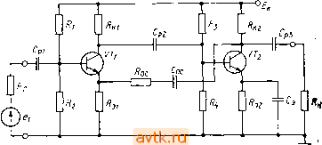
Принципиальная схема усилителя с общей последовательной отрицательной обратной связью по напряжению и местной по току приведена на рис. 5.2.

В этой схеме коэффициент передачи цепи обратной связи по напряжению

=RMi+Roc)- (5.6)

Коэффициент усиления по напряжению усилителя

где

21з1 (/?к1 112)

uloc- р л. Р

- коэффициент усиления первого каскада с отрицательной обратной связью по току; Явх10с = Гб+{l+hziBl) {Яэ1+Гз) hualRal -

входное сопротивление первого каскада. Таким образом, можно записать

А aloe---Г--- (0.0)

Коэффициент усиления второго каскада Ки2 определяется из формулы

- h \.RM\ (/?ос + /?3l)]

Ац2-- 21э2-7-

При глубокой обратной связи, когда выполняется соотношение /=l-b/Cuioou2P>l, коэффициент усиления усилителя (рис. 5.2) определяется только коэффициентом передачи цепи обратной связи, т. е.

Kuoc-i (5.9)

§ 5.2. Усилители с непосредственной связью (усилители постоянного тока)

Резистивно-емкостная связь позволяет наиболее просто осуществить независимость режимов каскадов по постоянному току, однако из-за больших емкостей разделительных конденсаторов вызывает существенные затруднения реализация /?С-усилителей в виде интегральных микросхем. Развитие современной микроэлек-Роники выдвинуло необходимость использования непосредственной вязи Между каскадами усилителя, когда коллектор транзистора



предыдущего каскада ОЭ гальванически связан с базой последую, щего. Однако в этом случае при заземленном эмиттере транзисторы, как правило, оказываются насыщенными, так как коллектор, ные резисторы определяют режим по постоянному току как основ-ного, так и последующего каскадов.

Для обеспечения работы транзистора в режиме класса А в эмиттерные цепи включают резисторы R.

1-г-~г-

vr, -\VT, -\VT -

I

211-J

-T-о

-o fR I

Рнс. 5 3

Рис. 5 4

На рис. 5.3 приведена схема л-каскадного усилителя с непосредственной связью между каскадами. Предположим, что транзисторы всех п каскадов усилителя на рис. 5.3 работают в одинаковом режиме, т. е. их коллекторные токи покоя /koi/ko2 -/коп, определяющие режим класса А, равны между собой. Записав выражения для напряжений на электродах соответствующих транзисторов относительно земли :

.1 = б2~э2<к2<-<к . Э1<к1~э2<...<эп

И учитывая, что при /ко>/бо, /эо~/но

и^2 ~ - к02к2

(5.10)

и

90232

(5.11)

получим

зл - эл-эл . /?к1>.к2>->/?кл. ,

(5.12) (5.13)



при уменьшении Як падает коэффициент усиления по напряжению каскада. При увеличении /?э возрастает глубина отрицательной обратной связи, что также приводит к уменьшению коэффициента усиления.

Следовательно, получить большой коэффициент усиления в схеме усилителя (рис. 5.3) путем введения дополнительных каскадов затруднительно, так как коэффициент усиления каждого последующего каскада уменьшается по сравнению с коэффициентом усиления предыдущего.



Рис. 5 5

Рис 5 6

Не удается существенно увеличить коэффициент усиления, изменяя режим работы транзисторов каждого последующего каскада усилителя. Действительно, если увеличить ток в каждом последующем каскаде, то, во-первых, число каскадов ограничивается допустимым током, протекающим через транзистор последнего каскада, во-вторых, при равенстве ?э резисторы /? различаются между собой сильнее, чем при одинаковых токах транзисторов.

При уменьшении тока в каждом последующем каскаде при равенстве резисторов Rk сильнее проявляется неравенство (5.13), а число каскадов ограничивается минимальным током транзистора последнего каскада.

Для уменьшения глубины отрицательной обратной связи и увеличения, таким образом, коэффициента усиления в эмиттерные цепи каскадов следует включить ээтемент, сопротивление которого по постоянному току велико, а по переменному - мало. Таким элементом является стабилитрон, прн включении которого необходимо, чтобы эмиттерный ток транзистора изменялся в пределах рабочего диапазона токов стабилитрона.

Схема двухкаскадиого усилителя с использованием стабилитрона показана на рис. 5.4. Хотя коэффициенты усиления отдель- Ь1х каскадов по прежнему неодинаковы {Rki¥=Rk2), их различие Меньше, чем в усилителе, изображенном на рис. 5.3.

Для получения большого коэффициента усиления в многокас-эдном усилителе с непосредственной связью используют чередующиеся от каскада к каскаду транзисторы разного типа электропро-




водности (рис. 5.5). Такой усилитель называется усилителем с до-полнительной симметрией ила комплементарным.

Схемы с непосредственной связью на полевых транзисторах строят по такому же принципу, что и схемы на биполярных транзисторах. Согласование каскадов получают, исходя из требуемой амплитуды рабочего напряжения, вида характеристик полевого транзистора и напряжения питания.

При усилении переменного сигнала для отделения постоянной составляющей выходного напряжения от переменной составляющей (полезного сигнала) между заземленной нагрузкой /?н п выходной шиной усилителя включают разделительный конденсатор, емкость которого определяется низшей частотой усиливаемого переменного сигнала.

Непосредственная связь между каскадами усилителя позволяет также усиливать сигналы, медленно изменяющие-? 1 Х jj ся во времени. Следопательно, усили--1- 1 П челъ с непосредственной связью можно

использовать в качестве усилителя постоянного тока. Амплитудно-частотная характеристика усилителя постоянного тока представлена на рис. 1.5.

При усилении медленно изменяющегося сигнала применение разделительного конденсатора для отделения постоянной и переменной составляющих выходного сигнала невозможно, так как емкость конденсатора в этом случае должна быть бесконечно большорг. Поэтому в схеме усилителя постоянного тока (рис. 5.6) резистор Rn включен между выходной шиной усилителя и средней точкой делителя напряжения Rb-Re-R?, а входное напряжение определяется разностью потенциалов между базой транзистора входного каскада усилителя и средней точкой делителя Rr-Rz. Тогда напряжению Ubx = 0 будет соответствовать нулевое выходное напряжение.

Для подстройки нуля на выходе усилителя служит переменный резистор Re.

Недостатком описанного способа включения нагрузки и источника входного сигнала в схему усилителя постоянного тока является отсутствие общей точки, т. е. нагрузочный резистор и источник входного сигнала оказываются не заземленными .

Для устранения указанного недостатка применяют усилители постоянного тока с двумя источниками питания (рис. 5.7). Элементы усилителя рассчитаны таким образом, чтобы в отсутствие входного сигнала, т. е. при {/вх=0, напряжение на выходе усилителя также было бы равно нулю. 98

Рис. 5.7



Для этого необходимо сопротивления резисторов делителя на-пяжения Ri и R2 выбрать такими, чтобы падение напряжения на них в отсутствие входного сигнала были равны

Цепь делителя не должна влиять на режим работы транзистора. Поэтому току /дел выбирают из условия

/ л=(0,05-0,1)/,о. Тогда сопротивления Ri и R определим из формул

Свойство схемы усиливать сигналы сколь угодно малой частоты приводит к возникновению так называемого дрейфа напряжения на выходе усилителя. Абсолютный дрейф усилителя Д{/выхдр - это максимальное отклонение выходного напряжения от своего первоначального значения за определенный промежуток времени при замкнутом входе.

Дрейф выходного напряжения обусловлен самопроизвольным изменением во времени напряжения источников питания и смещения (временной дрейф), а также нестабильностью параметров усилительных элементов при изменении температуры окружающей среды (температурный дрейф).

Значение Д^вых др/Д'и (дрейф, приведенный к входу усилителя) ограничивает минимальный входной сигнал и характеризует чувствительность усилителя.

В транзисторных усилителях постоянного тока основным является температурный дрейф. Используя коэффициент температурной нестабильности (см. § 4.1), температурный дрейф одного каскада можно записать как

А^вы.др(О = Д/к0/?к = Л/к05/?,. (5.14)

Следовательно, для уменьшения Af/выхдр (О следует снижать коэффициент s, воспользовавшись методами термостабилизации рабочей точки (см. § 4.1). Однако чувствительность усилителя, т.е. приведенный дрейф, при этом не изменится. Действительно, учитывая формулу (4.19) для коэффициента s, можно показать, что коэффициент усиления одного каскада

K,=sRM+R,). (5.15)

Тогда выражение для приведенного температурного дрейфа будет иметь вид

Д^вх др (О - Дt/в^хдр (0 С„= (R, +/?б) Д/кО. (5.16)



Из выражения (5.16) следует, что приведенный дрейф в отличие от абсолютного не зависит от коэффициента s и снижается при уменьшении сопротивлений в цепи эмиттера и базы.

Оценим влияние дрейфа отдельных каскадов на результнрую. щую величину дрейфа многокаскадного усилителя постоянного тока.

Пусть, например, на входе каждого каскада трехкаскадного усилителя (рис. 5.8) действует источник дрейфа А^/дрь AU2, Д'дрз- Тогда абсолютный дрейф усилителя, каждый каскад которого инвертирует фазу входного сигнала, равен

Д^вых ДР= -И1/С„2 ЗЛДР1 + АГ 2азД^др2 - АГ зЛдрЗ- (5.17)


Приведенный дрейф усилителя

А^выхдр/(/С„1/С„2/С„з) = -Д^,р: + А^дР2 С„1-Д дрз/(/СЛ).

(5.18)

Из выражений (5.17) и (5.18) можно сделать следующие выводы.

1. При проектировании многокаскадных усилителей постоянного тока для уменьшения дрейфа целесообразно использовать четное число каскадов, так как при этом происходит частичная компенсация составляющих дрейфа.

2. Наибольшее влияние на величину дрейфа всего усилителя оказывает дрейф первого (входного) каскада, к которому предъявляются наиболее высокие требования по его стабильности. При проектировании усилителей постоянного тока с малым уровнем дрейфа часто в качестве входного используют дифференциальный каскад, свойства которого подробно рассматриваются в § 5.3.

В настоящее время на базе усилителей с непосредственной связью выпускаются дешевые, универсальные, линейные ИМС, позволяющие проектировать различные маломощные усилители низкой частоты.

Полупроводниковая ИМС типа К122УС1 (серия К122) включает в себя двухкаскадный усилитель с непосредственной связью, охваченный общей параллельной и местной последовательной отрицательной обратной связью по току.

Обратную связь по переменному току можно исключить, подключив внешний блокировочный конденсатор. При наличии блокировочного конденсатора и Roo в схеме К122УС1Б будем иметь



ффициент усиления по напряжению 600-1200, входное сопро-йвление 2 кОм, верхнюю граничную частоту 200 кГц.

Если блокировочный конденсатор отсутствует, то схема К122УС1Б имеет следующие параметры: коэффициент усиления о напряжению 140-190; входное сопротивление 30-60 Ом; верхняя граничная частота 500 кГц.

Гибридно-пленочная ИМС типа К237УС1 (серия К237) представляет собой четырехкаскадный усилитель с непосредственной связью, охваченный параллельной обратной связью по постоянному напряжению. Выходной каскад имеет среднюю точку. Схема предназначена для работы в схеме бестрансформаторного усилителя мощности класса В. Коэффициент усиления по напряжению в такой схеме составляет 8000-15 000.

§ 5.3. Дифференциальные усилители

Дифференциальный усилитель (ДУ) имеет две входные и две выходные шины. Он предназначен для усиления переменного и постоянного сигнала на фоне большого уровня помех.

Различают симметричный выход ДУ, когда выходное напряжение снимают между выходными шинами (рис. 5.9, а), а несимметричный

-0 0-

г

Рис. 5.9


Рис. 5.10

выход, когда выходное напряжение снимают между одной из выходных шин и землей (рис. 5.9, б).

При подаче на входы усилителя напряжений Ubxi и Ubx2 выходное напряжение в общем случае определяется выражением

\ Ых\=Кил\ивх1 - ивх2\+Кисф\ивх1 + ивх2\/2, ГДб \ Ubx1-Ux2\

~/вхд - дифференциальная составляющая входного сигнала, определяемая как разность потенциалов между входами усилителя; I 1 +fBx21/2= {/вхсф -синфазная составляющая входного, определяемая как полусумма входных напряжений; Кил - коэффициент усиления дифференциального сигнала, определяемый при вхсф=0. Для обеспечения этого условия на входы усилителя одаются одинаковые по величине, но разные по полярности на-Ряжения; /Сисф - коэффициент усиления синфазного сигнала,



определяемый при {/вхд=0. Для этого на входы усилителя па-даются одинаковые по величине и полярности напряжения.

Синфазный сигнал представляет собой различные помехи и наводки, действующие одновременно на обоих входах усилителя Поэтому при построении усилителя необходимо обеспечить уело! вне

ид>исф; (5.19)

простейший дифференциальный усилитель с симметричным выходом на биполярных транзисторах изображен на рис. 5.10 и состоит из двух типовых каскадов ОЭ, эмиттеры которых взаимосвязаны и имеют общий резистор Ra. Входные напряжения подаются на базы транзисторов, а выходное снимается с их коллекторов.


Рис. 5 11

Если схема полностью симметрична, т. е. Rki = Rki=Rk, а параметры транзисторов идентичны, то при AUexn-UBxi - /вх2 = О транзисторы работают в одинаковом режиме. Их коллекторные токи и напряжения равны. Так как выходное напряжение определяется разностью коллекторных напряжений транзисторов, то их равенство означает, что

вых = к1-к2 = 0. (5.20)

Изменения питающего напряжения или температуры окружающей среды, вызывающие дрейф выходного напряжения в обычном каскаде усилителя постоянного тока (см. рис. 5.7), для симметричного каскада (рис. 5.11, а) можно представить как заземленные ЭДС, действующие синфазно на каждом выходе 1 к 2 каскадов ОЭ.

Д з,1 = А^з = А^з ф. (5.21)

Действие синфазных ЭДС приводит к одинаковому изменению коллекторных токов и напряжений транзисторов в одну и ту же сторону, т. е.



Равенства (5.21) и (5.22) показывают, что базы, а также кол-кторы транзисторов усилителя можно объединить, не нарушая и этом работы схемы, и представить усилитель как параллельное соединение транзисторов VTj и VT2, включенных по схеме ОЭ с отрицательной обратной связью по току, создаваемой резисто-

Р°*Эквивалентная схема для переменного сигнала, соответствующая принципиальной схеме рис. 5.11, а, изображена на рис. 5.11,6. 03 эквивалентной схемы найдем коэффициент передачи синфазного сигнала на один из выходов усилителя, характеризующий изменение коллекторного напряжения АСкоф при действии входного синфазного сигнала At/вхсф:

/С:сф=Д^.еф/Д^вхср=-f. (5.23)

вх ОС

Входное сопротивление схемы для синфазных сигналов

/?вх ос = 6/2+ Л2,з(Гз/2+/?,). , .

Полагая, что /?э>/э, /г21э/?э>б, будем иметь

вхос~/г21э'?э. (5.24)

Подставляя выражение (5.24) в (5.23), запишем

KU-RJ{2R,), (5.25)

откуда найдем изменение коллекторного напряжения каждого транзистора при действии синфазного входного сигнала

Д^ксф= /С:сфД^/вхсф= Д^вхсф. (5.26)

в полностью симметричном дифференциальном усилителе At/ксф не влияет на дрейф выходного напряжения, так как с учетом равенства (5.22)

Д^выхсф==Д^к1сф-Д^к2сф = 0. (5.27)

Следовательно, /Сисф = А1выхсф/А{/вхгф=0.

в реальной схеме дифференциального усилителя (рис. 5.11, а) невозможно обеспечить полную симметрию, поэтому приращения Д1к1сф и А{/к2сф будут неодинаковыми. В результате на выходе схемы появляется разностный дрейф, зависящий от А^/щсф и А{/к2сф. При А6к1сф0 и АбкгсфО разностный дрейф минима- ен. Как следует из выражения (5.26), для получения малых Приращений коллекторного напряжения необходимо увеличить резистор обратной связи /?э, что возможно только до некоторого предела, определяемого минимальным током транзисторов VTj и VT2. р ly в эмиттерную цепь дифференциального усилителя (см. ля Л целесообразно включить нелинейный элемент, обла-К)щий большим сопротивлением по переменному току (для соз-



1 ... 7 8 9 10 11 12 13 ... 26
© 2004-2026 AVTK.RU. Поддержка сайта: +7 495 7950139 в тональном режиме 271761
Копирование материалов разрешено при условии активной ссылки.
Яндекс.Метрика